Los Reguladores de Tensión
Los reguladores lineales de tensión, también llamados reguladores de voltaje, son circuitos integrados diseñados para entregar una tensión constante y estable.
Estos dispositivos están presentes en la gran mayoría de fuentes de alimentación, pues proporcionan una estabilidad y protección sin apenas necesidad de componentes externos haciendo que sean muy económicos.
La tensión y corriente que proporcionan es fija según el modelo y va desde 3.3v hasta 24v con un corriente de 0.1A a 3A.
La identificación del modelo es muy sencilla. Las dos primera cifras corresponden a la familia:
78xx para reguladores de tensión positiva
79xx para reguladores de tensión negativa
En este capitulo nos dedicaremos a la serie 78xx que es el que nos va interesar.
Los Reguladores

En
la figura vemos un típico integrado regulador de tensión, a
pesar que es parecido a un transistor, estos son circuitos integrados. Tenemos
los puntos E, entrada de la fuente de alimentación; T, tierra y S,
salida regulada.
El "78", nos indica que es un regulador positivo (existe la serie
"79" que regula negativamente); XX nos indica a que voltaje regulara.
Estos pueden ser; 7805, 7806, 7808, 7810, 7812, 7815, 7818, 7822 y 7824. Note
que no hay ninguno que regule a 13,8 volt.
El voltaje de alimentación de estos, dependerá del regulador,
a continuación les presento una tabla con el voltaje de entrada, mínima
y máxima, para que tengan en cuenta.
|
Tipo
de
Regulador |
Tensión
entrada
( Volts) |
Tensión Salida (Volts) |
|
|
Mínima
|
Máxima
|
||
|
7805
|
7
|
25
|
5 |
|
7806
|
8
|
25
|
6 |
|
7808
|
11
|
25
|
8 |
|
7810
|
13
|
28
|
10 |
|
7812
|
15
|
30
|
12 |
|
7815
|
18
|
30
|
15 |
|
7818
|
21
|
33
|
18 |
|
7822
|
25
|
36
|
22 |
|
7824
|
27
|
38
|
24 |
Resumiendo,
el 7812 nos dará una tensión de 12 volt y el 7815, una tensión
de 15 volt. La fuente de alimentación, tendrá que tener unos
3 volt mas, como mínimo, de la tensión de salida.
Los rango de temperatura serán entre 0º y 125º, para una
corriente de salida de 1 amper, por lo que es aconsejable colocarle un disipador
de calor para evitar que este se queme.
El indice de error en la tensión de salida es de +/- 0,25 volt, así
un 7805 podrá tener entre 4,75 y 5,25 volt de salida.
También tenemos que tener en cuenta a la hora de comprar un regulador,
el tipo de regulador que compramos ya que algunos vienen para 0,1 amper y
otros hasta 3 ampers. Esto depende de la serie del regulador, estas son las
siguientes:
|
Tipo
de Regulador
|
Potencia
en Ampers
|
Zocalo
|
|
78XX
|
1,0
|
TO-204,
TO-220
|
|
78LXX
|
0,1
|
TO-205.
TO-92
|
|
78MXX
|
0,5
|
TO-220
|
|
78TXX
|
3,0
|
TO-204
|
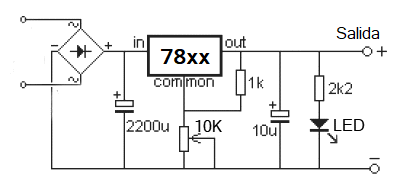
Circuitos

Este
es un circuito simple de un regulador de tensión.
El condensador C1, es un condensador de 0,33 micro faradios, el condensador
C2, es de 0,01 micro faradios y forma la carga capacitaba mínima para
mantener estable el funcionamiento del regulador. La corriente de polarización
del integrado, es prácticamente constante y anda en el entorno de los
4 a 8 mili-ampers
Recuerde que esta estabilización estará limitada a la corriente
que soporta el integrado.
Si lo que necesitamos es elevar el potencial ( voltaje ) de salida, deberemos
de realizar el siguiente circuito:

El circuto completo
Con este circuito mas simple que el anterior pero no por eso de menor rendimiento,
podremos tener una salida regulada. Tenga presente que la menor salida que
tendrá, será la del propio integrado. Supongamos que tenemos
un 7805, con una resistencia variable a masa, la menor salida será
5 Volt y la máxima será según la salida del transformador.
Ahora si lo que queremos tener, son corrientes superiores a 1 amper, para
ello usaremos el siguiente circuito:
![]() |
|
Acá
tenemos un circuito un poco mas complicado, pero que nos ayudara a tener mas
amperaje de salida. Las resistencias están dadas en ohms, salvo especificaciones,
como es el caso de R1 que tiene 2200 ohms.
R1 es un limitador de corriente para el integrado, R2 deberá de ser
de alambre de unos 5 watts de disipación o mas.
Para el condensador C1, vea el articulo mas abajo, para C2 no se necesitará
una gran capacidad con unos 1000 micros faradios alcanzara.
Q1 a Q3, son transistors NPN del tipo 2N3055, para mayor amperaje es recomendable
ponerle 2N3771 o 2N3773.
El Transformador
Para poder regular esta tensión a 13,8 volt de salida, necesitaremos
una fuente de alimentación mayor que deberá de estar comprendido
entre los 18 y los 38 volts dependiendo del regulador.
Podremos usar o bien un transformador de 18 volt en el secundario, o uno de
18 + 18 volt ( 36 volt con punto medio), la diferencia entre uno y el otro,
es que para la rectificación de 18 volt precisaremos un puente de diodos
( 4 diodos ) y con los 36 volt solo dos diodos, uno en cada punta como positivos
y el medio seria el negativo.
Esto quedaría así:
Transformador
Sin Punto Medio

Transformador
Con Punto Medio

Si
lo vamos a usar para una fuente estabilizada, para un equipo de radio aficionados,
deberá de tener un condensador a la salida de los diodos rectificadores,
con una capacidad de (C1) 4.000 microsfaradios por amper de consumo, se necesitaran
para 20 ampers de consumo unos 80.000 micros faradios aproximadamente.
Esto es todo, espero que el articulo sea de vuestro interes. Gracias por vuestra
visita.
CX1DDR- Gabriel Bermúdez