(Noise canceler for wide-band)
El presente artículo trata de la construcción de un dispositivo electrónico que es capaz de eliminar o atenuar las interferencias por ruido existentes en los receptores de radio , en cualquier frecuencia comprendida entre los 100 kilociclos y los 40 Megaciclos, con componentes de fácil localización y por un precio reducido.

Fig 1: Vista frontal del cancelador de ruido
Se elabora el prototipo tomando como referencia el modelo comercial Time-Wave modelo ANC-4.
Si bien el circuito que se propone se basa en el anterior, este es mucho más simplificado y con componentes al alcance de cualquier aficionado dispuesto a hacer montajes de baja complejidad.
Se introducen cambios y adaptaciones, eliminando complementos que dificultan la realización del montaje.
Para conseguir la cancelación o atenuación del ruido en una señal de radio, sea en bandas comerciales o de aficionados, es necesario que a la vez que se reciben las señales interferidas, se pueda obtener una muestra del ruido no deseado, para poder amplificarlo convenientemente, y en un mezclador, oponer la señal de ruido procesada, con la misma amplitud pero en contrafase frente a la señal captada por la antena receptora.
Esta operación hace que el ruido que llega por nuestra antena , al encontrarse en el mezclador con su imagen desfasada, tienda a cancelarse, con lo que el ruido desaparece de forma sorprendente.
El dispositivo logra atenuaciones superiores a los -40 dB, y por tanto la eliminación total del ruido interferente. La pérdida de inserción es de -6 dB, lo que supone menos de una unidad de S-Meter.
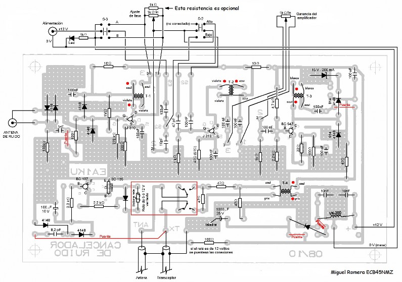
Como se puede apreciar en el esquema, el dispositivo consta de un amplificador de banda ancha, que cubre desde los 100 Kc/s hasta los 40 Mhz, con tres etapas, y que con la ayuda de una sencilla antena capta el ruido circundante a nuestro emplazamiento.
En la salida del primer transistor FET , hay un transformador toroidal configurado de manera, que mediante una red externa R-C es posible variar la fase de las señales recibidas, entre los -90 y los +280 grados.
Un conmutador permite escoger el inicio de la posición de fase, y otro conmutador selecciona entre pulsos de amplificación de ruido anchos o estrechos, para frecuencias altas o bajas.
Una vez determinado el valor de fase y anchura, la señal pasa a un segundo transistor FET que amplifica con ganancia constante en banda ancha, y que mediante otro transformador toroidal en la salida , vuelve a dejar la fase en el mismo punto que tenía el transistor a su entrada pero con una amplitud mayor.
La
señal resultante se lleva a un amplificador con un transistor bipolar
de ganancia variable, para regular la amplitud de la señal, y mediante
un tercer transformador toroidal, volver a tener la señal con la fase
original seleccionada en la red R-C, pero con amplitud ajustable
mediante un mando de control externo.
Fig 2: Esquema general del cancelador de ruido [Pulse para ampliar]
T1,T2,T3,T4 = 10 espiras de alambre bifilar con plastico de 0,3 mm de
grosor en toroide tipo FB-73-2401 o silimilar, con un coeficiente de
permeabilidad mayor a 2500. Medidas del toroide: 9 mm exterior, 5 mm interior y 5 mm grosor
Resistencias de 1/4 vatios y los potenciometros son de carbon lineal
La salida del amplificador es enviada a un puente mezclador, que recibe por una parte la señal captada por la antena receptora, y por otra la señal de ruido amplificada y ajustada para obtener el resultado de señales en contrafase para que se anulen.
Como quiera que sólo amplificamos el ruido, únicamente se cancelará el ruido, dejando intacta la señal de radio que estamos sintonizando, con la pérdida de inserción antes mencionada.
El mezclador es pasivo, y está formado por 4 resistencias y un transformador toroidal asociado.
El aparato también dispone de un sistema de conmutación de antena, activado por radiofrecuencia, para que en los momentos de transmisión – en el caso de estar ubicado en una estación de radioaficionado -, se anule el cancelador de forma automática, y de paso directo a la antena con el transceptor.
Utiliza dos transistores NPN, actuando como inversor un BC-107 y como activador del relé un BD-135
La célula de retardo está formada por una resistencia de 2K2 y un condensador electrolítico de 100 microfaradios.

Fig 3: Vista de los componentes en la placa de circuito impreso
Todos los componentes van alojados en una placa de circuito impreso, diseñada por José Manuel Suárez EA1KU, y complementada por Miguel Romera ECB45NMZ a los que agradezco su importante colaboración ; no hay ningún elemento crítico.
Hay que recalcar el conexionado y devanado de las bobinas toroidales que deberán ser hechas exactamente como se muestra en los dibujos, para que las señales queden siempre en fase, porque en caso contrario el dispositivo no funcionará correctamente, y no eliminará los ruidos; a partir del fotolito abajo incluido, y reproduciéndolo a un tamaño real de 113 mm por 70 mm, se podrán obtener las pistas de la placa.
Se puede confeccionar la placa de fibra de vidrio, o de papel fenólico.

Fig 4: Disposición de los componentes en la placa vistos por encima ; colaboración de ECB45NMZ

Fig 5: Fotolito del circuito realizado por EA1KU ; medidas reales 113 x 70 mm

Fig 6: Detalles para la construcción de las bobinas toroidales.
Todas las bobinas que forman los transformadores toroidales, están realizadas con hilo de plástico muy fino tipo telefónico, pero también se pueden hacer con hilo de cobre esmaltado; únicamente habrá que emplear algún sistema de marcación a la hora de hacerlos, para poder saber determinar el sentido y fase de cada devanado.
Empleando cables finitos de colores, la identificación se simplifica.
Obsérvese que todos los devanados van en el mismo sentido, y que se empiezan por la parte interior del toroide. Constan todos de 10 vueltas bifilares; como núcleo toroidal se pueden usar muchos tipos, preferentemente con altas permeabilidades comprendidas entre los 2000 y 2500 u.
No es crítica la elección del núcleo, pero cuanto menor sea la permeabilidad, menor efectividad tendrá en las bandas más bajas; en los prototipos se han usado los FB-73-2401, pero hay quién ha montado el cancelador usando otros tipos de ferrita diferentes con óptimos resultados.
Hay que hacer notar, que este aparato, no solo es válido para radioaficionados; es muy útil para la escucha de emisoras de radiodifusión en ondas medias y largas, donde presenta unos resultados muy satisfactorios, permitiendo la escucha de emisiones que están totalmente interferidas por televisores, ordenadores, electrodomésticos, líneas de tensión etc.
En esas bandas, se logra cambiar el ruido permanente, habitual e intenso , por una recepción satisfactoria.

Fig: 7 y 8: Vistas superior frontal y trasera del montaje


Fig 9 y 10 : Puentes a realizar en el C.I y montajes con y sin placa de circuito impreso

También es posible hacer el montaje prescindiendo de la placa de circuito impreso, y poner todos los componentes sobre isletas aislantes formadas por trozos de placa de circuito impreso pegados a su vez sobre una superficie conductora, que puede ser un trozo de placa virgen o un trozo de chapa de latón o cobre, que actúa como masa.
El resultado, es menos vistoso desde el punto de vista estético, pero los resultados son también satisfactorios.
En la figura 10 se pueden apreciar las diferencias entre ambos sistemas; a la izquierda se muestra un cancelador montado sobre isletas aislantes, y a la derecha el mismo, pero con placa de circuito impreso.
El aspecto externo no difiere , es únicamente en la técnica constructiva y en su interior donde están las diferencias patentes.
Los potenciómetros de 1 K deberán de ser lineales de carbón, -no sirven los bobinados-; en paralelo con el que ajusta la FASE, si se desea se puede colocar una resistencia de 1 K entre sus terminales.
Esto se hace para suavizar el desplazamiento de fase a lo largo del recorrido, aunque ésta resistencia no es imprescindible, a veces el cancelador funciona mejor sin ella.
El montaje no requiere ningún ajuste específico; todas las resistencias son de ¼ de watio, aunque en las fotos puedan aparecer otros formatos, que se debe a las existencias del momento.
Los conmutadores son tipo micro-interruptor; el de encendido y cambio de fase es de tres posiciones 2 circuitos, y el de selección de pulsos altos o bajos es de 2 posiciones 2 circuitos.
Los conectores de entrada y salida son Amphenol PL y el conector para la antena de ruido es uno tipo RCA. El otro conector posterior permite la alimentación del aparato a 12 voltios, con el positivo en el punto central. Las cajas usadas en los prototipos son de plástico, pero se pueden emplear también metálicas si se desea.
Los valores de los componentes no son críticos; por ejemplo el condensador que toma una muestra de la presencia de RF en la placa puede ser de 8,2 pF ó de 10 pF sin ningún problema; las resistencias de 51 ohmios pueden ser reemplazadas por otras de 47 ohmios
Los transistores FET son del tipo J-310 ; el diodo zéner que está asociado a T3 es un diodo de 15 voltios 200 miliamperios.
El relé puede ser de 5 voltios llevando una resistencia en serie de 100 ohmios en su alimentación, o de 12 voltios eliminando la resistencia y puenteando las conexiones.
Los condensadores de 100 K, son de tipo cerámicos o multicapa miniatura; los condensadores de pequeño valor son cerámicos corrientes.
El cancelador siempre debe de estar conectado entre el equipo receptor y la antena; caso de existir un acoplador, irá entre el equipo transceptor y el acoplador, y si hay un amplificador, irá entre el transceptor y el amplificador.
El cancelador es capaz de activarse con menos de 5 watios y soporta hasta 200 watios de RF. PUESTA EN SERVICIO:
Con la ayuda de un latiguillo de cable coaxial tipo RG58 o similar de unos 60 centímetros, conectar la salida del transceptor o receptor a la toma posterior marcada como RX-TX.
Conectar la antena emisora-receptora en el conector ANTENA.
Poner un conector RCA macho, con un hilo forrado de plástico de unos 2 a 3 metros de largo , que será la antena que emplearemos para captar únicamente el ruido que deseamos eliminar; colocar ésta antena tirada por el suelo, o por donde menos estorbe; si está estirada mejor.
Si empleamos una antena externa para recibir el ruido, y ésta es muy larga, como el amplificador es de banda ancha, se recibirán señales muy interferidas y con un grado alto de intermodulación.
El ruido propio de cada frecuencia, o el atmosférico no se elimina con este dispositivo.
Si se emplea una antena exterior no deberá de ser más larga de 3 metros , para mejorar la captura del ruido.
Conectar un alimentador o fuente de 12 a 14 voltios en la toma posterior, con el positivo en la parte central del conector.
Después de haber seguido las instrucciones anteriores, podemos pasar al proceso de ajuste ordinario, que requiere una especial habilidad en el manejo de los potenciómetros, porque vamos a proceder a ajustes con muy poco margen de error de fase; bastará un par de grados para que el ruido desaparezca o al contrario aumente.
Con el cancelador apagado, sintonizar en cualquier frecuencia que veamos que tiene una interferencia, tal como ruido intermitente, zumbido,petardeo etc.
Por ejemplo supongamos que esa señal marca 5-9 en el Smeter.
Activar el cancelador, en posición A, y BAJO ; desplazar a tope a la izquierda los potenciómetros, y avanzar lentamente el potenciómetro AMPLIF hacia la derecha hasta que el Smeter vuelva a marcar un poco más de 5-9.
Logrado este punto, mover el potenciómetro de FASE , buscando un punto para conseguir anular el ruido.
Si no se consigue, cambiar el conmutador de A a la posición B, y repetir el giro del potenciómetro de FASE hasta que la señal se atenúe.
Retocando ligeramente ahora los mandos de FASE y AMPLIF, se debe de eliminar TOTALMENTE la interferencia, siempre y cuando ésta se haya generado en las proximidades de nuestro domicilio.
Se puede repetir todo el proceso, pero con el conmutador S-3 en ALTO .
Si el ruido viene desde un punto distante superior a los 200 / 400 metros, difícil será poder eliminarlo.
El circuito es muy eficaz,para eliminar las interferencias producidas por: Ordenadores, Televisores, Ascensores, sistemas PLC de transmisión de datos a través de la red eléctrica , electrodomésticos etc.
No obstante, este circuito no es la solución absoluta a los ruidos e interferencias que nos rodean; hay muchos ruidos que por sus características y composición o excesiva intensidad tienen difícil tratamiento y eliminación.
Si empleamos cualquier dispositivo acoplador o adaptador de antena, sus ajustes influirán en los resultados del cancelador.
Es preferible tener la antena con el acoplador ajustado, antes de intentar eliminar la interferencia, pues si variamos los valores que teníamos puestos en el acoplador, variará también el ángulo de fase de las señales recibidas, y habrá que reajustar los valores de los potenciómetros en el cancelador.
Los circuitos están protegidos contra inversiones accidentales de polaridad; sólo funcionan si está correctamente ubicado el positivo y el negativo en el conector de alimentación.
Si el cancelador está apagado o sin alimentación, dará paso directo a la antena hacia el equipo al que se encuentre conectado, sin perjudicar ni alterar su funcionamiento.
Una vez encendido, al detectar RF, realizará la conmutación de forma automática, permaneciendo en este estado durante un segundo después de desaparecida la RF.
Si se desea un tiempo de conmutación más rápido, hay que disminuir de valor el condensador electrolítico de 100 microfaradios asociado a la base del BC107.
Hay varios prototipos en funcionamiento, con el empleo de toroides de diferentes características, pero en líneas generales, el comportamiento es satisfactorio, sobre todo si únicamente se desea cubrir los segmentos destinados a los radioaficionados; es posible emplear toroides tipo T-50/2 y similares; en estos casos, los devanados llevarán 14 espiras en vez de 10, y el rendimiento en las ondas medias y largas será menos eficaz.
El montaje del presente circuito, es una experiencia cuyo resultado debe de asumir cada constructor; el autor del prototipo no suministra ningún componente ni placas de circuito impreso.
Este cancelador de ruido, es mucho menos completo que un Time-Wave ANC-4, que incorpora filtros accesorios para problemas concretos de interferencias producidas por la proximidad de emisoras de radiodifusión, pero también es cierto que el aparato comercial vale unos 225 Euros en España, y que el montaje propuesto a penas alcanza los 20 Euros, permitiendo reciclar componentes tradicionales y manteniendo la eficacia a la hora de eliminar el ruido en recepción.
Finalmente doy las gracias a todos los colegas y amigos que han colaborado en la realización de éste artículo y especialmente a : EA2WM Jesús, EA1KU José Manuel, EA2CCN Julio, y ECB45NMZ Miguel , entre otros , por sus valiosas aportaciones y experiencias.
Articulo creado por: EA1KO ( Link )
Cualquier sugerencia o comentario, será bien recibido en: ea1ko@hotmail.com