INTERFACE CAT/PTT PARA FT-840
(Pagina original eHam.net)

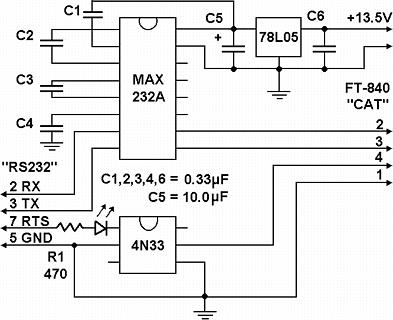
El corazón de esta interfaz es un MAX232A. Usted puede usar cualquier chip similar MAX203, MAX232 o MAX233, pero consulte su documentación de las conexiones apropiadas. De la fuente de alimentación + 5 voltios viene del regulador de voltaje 78L 05 que toma +13.5 voltios desde la parte trasera de la radio de FT-840 (conector RCA). PTT se controla mediante optoacoplador 4N33 por la señal de RTS de RS-232. He utilizado un puerto serial DB9. Si utilizas un DB25, tienes que cambiar los números de pin DB25 asignaciones de acuerdo. Conector CAT de Yaesu es 6 pin Mini DIN.

El circuito PTT es opcional. Usted no necesita si desea leer los modos y frecuencias de radio en su software de registro. Sin embargo, es una buena idea compartir un puerto serie para CAT y PTT, si utilizas la tarjeta de sonido de los ordenadores para modos digitales. Asegúrese de que ha configurado su software para compartir el PTT y radio el puerto y establecer control PTT por RTS. Por supuesto, usted también necesitará un cable de audio de Rx para tu tarjeta de sonido y un cable de micrófono de Tx con un atenuador o un transformador de aislamiento.

 

Cerrar ventana