Cuando estamos montando un nuevo circuito, es frecuente
que necesitemos verificar si una bobina, o mejor dicho, si un
circuito L-C
resuena a la frecuencia correcta.
Siempre podemos usar un Dip-Meter, pero si la bobina
tiene blindaje la cosa se complica...
Con el
blindaje puesto, el Dip-Meter no mide nada.
Si
quitamos el blindaje podemos medir con el Dip-Meter, pero la frecuencia de
resonancia ya no será la misma: al retirar el blindaje la frecuencia aumentará
un 10%... 20%... 30%... hay que ser adivino para saberlo.
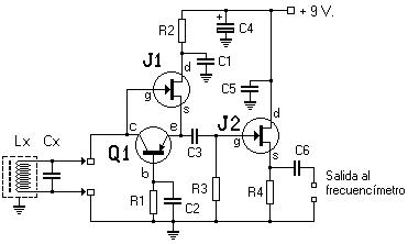
Este circuito nos soluciona el problema: es un Oscilador
Universal que oscilará a la frecuencia de resonancia de cualquier
circuito L-C paralelo conectado a sus bornes. La señal de salida la llevamos al
Frecuencímetro Digital, donde veremos a que frecuencia trabaja el circuito L-C.
La capacidad parásita del circuito es muy baja, por lo que sólo debemos tenerla
en cuenta al medir circuitos resonantes de VHF. En mi prototipo ha resultado ser
de unos 4 pF.
Los valores de los componentes son los siguientes:
R1: 56
K C1: 39 nF
R2: 470
ohm C2: 47 pF
R3: 470 K C3:
47 pF
R4: 470 ohm C4: 100 uF
J1:
BF245 C5: 39 nF
J2:
BF245 C6: 100 nF
Q1: BFR99, AF367,
BF324, etc.
Montaje
No es necesario grabar ninguna Placa de Circuito Impreso, es mejor hacer un montaje "punto a punto" sobre una superficie de cobre (plaqueta de circuito impreso).
En cuanto a los transistores, J1 y J2 son
transistores FET del tipo BF245, fácilmente localizable en el
comercio.
Q1 es un transistor PNP del tipo BFR99
o cualquier otro transistor PNP de VHF/UHF, como por ejemplo un BF324.
En mi prototipo
utilicé un AF367 , transistor PNP de Germanio recuperado de un viejo
Sintonizador TV UHF.
En el siguiente gráfico podemos ver la disposición de los terminales de los
distintos transistores que podemos utilizar en este circuito:
Utilización
El circuito oscilará al aplicarle a sus bornes cualquier conjunto L-C razonablemente dimensionado, desde Audiofrecuencias hasta frecuencias de UHF.
En el frecuencímetro veremos la frecuencia de trabajo del Circuito L-C que estamos probando.
Si la bobina lleva núcleo ajustable, girándolo podemos ver el margen de
frecuencia cubierto.
La misma operación podemos ver si el dispositivo
ajustable es el condensador.
Normalmente, en el Circuito L-C que vamos a medir, el condensador será de
valor conocido, mientras que el valor de la inductancia será nuestra incógnita
(sobre todo si la hemos devanado nosotros).
Conociendo la capacidad del
condensador (por venir marcada en el mismo) y la frecuencia a la que oscila el
circuito, mostrada por nuestro frecuencímetro, podemos calcular el valor de la
Inductancia con esta fórmula:
25330
L =
-----------
C x
F2
En esta fórmula, la inductancia ( L ) está en uH , la capacidad ( C ) en pF y la frecuencia ( F ) en Mhz.
En Baja Frecuencia y en frecuencias de H.F. , podemos despreciar casi siempre
la capacidad parásita del circuito.
En frecuencias de VHF debemos tenerla en
cuenta, pues son unos 4 pF.
Por tanto, en la fórmula, C será la capacidad
del condensador que usemos más 4 pF.
Este circuito puede oscilar en frecuencias de UHF ( 400 Mhz y algo más ) ,
pero ya pierde su utilidad como instrumento de medida de Circuitos L-C porque a
esas frecuencias su Capacidad Parásita es similar o superior a la habitual en
cualquier Circuito Resonante de UHF.
Agradecimientos
Yo no he diseñado este circuito y, aunque desconozco quién es el Autor, debo mencionar que la primera vez que lo he visto publicado fue el año 1982, en la desaparecida revista "Circuito Impreso" , en su número 42.
Mi agradecimiento al desconocido Autor, pues este circuito me ha sido de gran utilidad durante muchos años.
Lo presento aqui, en mi Web, para que esté al alcance de todos, pues la revista "Circuito Impreso" desapareció hace ya muchos años.
Reporte original de EA7GLU
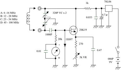
OTRO CIRCUITO
Para la bobina, vea el texto anterior calculelo de la misma manera.
DIP-METER (Traducido de triera.net)
Funsionamiento
Primero y ante nada, aclaro que la traduccion es de Google asi que cualquier error pido disculpas.
El siguiente diagrama Dip-Meter fue publicado en la revista Elektor no. 231 (marzo de 1990). El circuito es muy simple, que consta de tres transistores y unos pocos componentes pasivos. Dip-metro tiene un rango de 100 kHz a 50 MHz y los prefabricados comprado estrangulaciones oscilador utilizado, que considero de gran alivio en el edificio.
T1 sirve como un transformador de impedancia, junto con el T2 (en el tejido base) como un oscilador con retroalimentación de unión (7) entre el colector y la base de T2 T1. Este vínculo se denomina par de cola larga. El P2 se establece la corriente de colector de los dos transistores y por lo tanto la intensidad de las oscilaciones. Choke L1 evita cortocircuitos de alta potencia a través de la frecuencia. Punto de funcionamiento T 2 se determina por las resistencias R4 y R5 a 5 V. A través de los inductores L2, el punto de trabajo T 1 en el mismo nivel como T2.
Un circuito resonante en paralelo que consta de D1, D2, L3 definir la frecuencia de las oscilaciones. Puesto que la capacidad de un diodo varicap es demasiado pequeño aquí enlazar dos en paralelo. LED de tensión se pueden ajustar con el potenciómetro P1. Trimmer P3 y P4 sirven para establecer la zona de salida y las oscilaciones de frecuencia final. Inductancia círculo oscilatorio se divide en ocho estrangulaciones estándar, que se instalan en un conector. En Elektorju son conector DIN utilizado para altavoces.
| Frecuencia (MHz) | Inductancia | Frecuencia(MHz) | Inductancia |
| 0,1 ... 0,2 | 10 mH | 2,0 ... 4,5 | 22 uH |
| 0,2 ... 0,45 | 2,2 mH | 4,5 ... 10 | 4,7 uH |
| 0,45 ...1 ,0 | 470 uH | 10 ... 20 |
1 uH |
| 1,0 ... 2,0 | 100 uH | 15 ... 50 | 0,22 uH |
Dip Indicador metros se hace muy simple. T3 está conectado como amplificador en C clásica y se traduce sólo las señales por encima de 0,6 V, por lo tanto, sólo el medio período positivo de la oscilador. 4 formados de la señal pulsada la tensión de CC necesario para el instrumento indicador. Si usted no puede encontrar el instrumento indicador con una sensibilidad de 250 uA puede resistencia R7 ajustar la sensibilidad a diferentes indicadores.

Pulse en la imagen si quiere ampliar

Por último, el aparato denominado by'm no construido, pero describió la mayor parte de todas las recomendaciones. Lo anterior es sólo una traducción de parte del artículo de la revista. En los muchos años de experiencia en la construcción, me encontré con que todos los circuitos publicados en la revista Elektor ciertamente funcionan, ya que todas las bandas en su laboratorio y elaboradas para las masas (por su: Nachbausicher). Si alguien está interesado, aquí me prendí el artículo completo en alemán de los electores en formato PDF. Si alguien se embarcó en su construcción, para pedirle que me envíe los resultados y voy a ser feliz a publicar su artículo aquí.
El instrumento ha decidido hacer Vakarcs Szilárd de Hungría. Él me envió una foto de la PCB. Problema su obra sólo ha comprar 33 mH estrangulador. Espero que esto se resuelva y me envió fotos del producto terminado.