PROYECTOR DE DUPLEXOR PARA VHF Y UHF
La idea comenzó cuando Eduardo LU6YED me pregunta acerca de un duplexor que necesitaba para poder usar las dos antenas direccionales en su equipo de un solo conector, me pareció un proyecto interesante y me puse a adaptar con componentes locales un circuito planteado por en la revista de AMSAT USA http://k0lee.com/duplexer.htm pero el tema es adaptar las bobinas y hacerlo con elementos simples.
Hice un prototipo para ver como salía y aquí están los resultados del experimento para compartirlo con ustedes.

Hasta diría que me salio prolijito, verdad ?, aquí la vista del lado de VHF, con las bobinas plateadas y todo.

Este es el lado de UHF.

Aquí esta el plot del lado de VHF, bastante bien sin considerar que esta hecha con el grid dip meter y sin ajustar nada, casi 1 Db de atenuación en el paso de banda y -60 Db en la banda de rechazo.

En el lado de UHF la cosa no salio como esperaba (5 Db de atenuación es una barbaridad), cambie las 2 bobinas y salio funcionando muy bien según el grafico que sigue, en este caso quizás se deberían hacer todas las conexiones lo mas cortas posibles, pero en UHF es aun mas critico, por lo que recomiendo tener precaución en adaptar la mecánica de la caja al tamaño de los componentes y mantener las conexiones lo mas cortas posibles, a fin de disminuir las inductancias parasitas de los condensadores al mínimo.

Al cambiar las bobinas se nota la diferencia y tenemos un aceptable 0.85 Db de atenuación en el paso de banda y -70 db en la banda de rechazo.

Luego del armado, calibré las bobinas de VHF y UHF a mínima ROE separando las espiras de las bobinas hasta lograr la mínima potencia reflejada, en este paso se debería usar una carga de 50 ohms, pero a falta de esto, una buena antena bien ajustada funciona bien.

Este es el circuito impreso.

Listado de componentes:
L1/L3, 3 espiras, diámetro interno 8 mm.
L2, 5 espiras, diámetro interno 10 mm.
L4/L5, 2 espiras de 5 mm de diámetro.
Todas las bobinas en alambre de 0.8 mm, si se consigue plateado mejor.
Los capacitores son cerámicos tipo NP0, pero funcionan los comunes, si se consiguen de mica plata, aun mejor.
Se deberá usar una caja metálica para contener todo, en las fotos solo se muestra un prototipo solo a efectos de jugar con el diseño hasta que funcione, pero se deberá blindar un lado del otro y todo bien encerrado en una caja metálica, para evitar que ingresen señales indeseadas que no provienen de la antena, como ser nuestra PC. Podrían usarse plaquetas de circuito impreso soldadas.
Con 50 watts de potencia en las dos bandas, no se noto nada de interacción entre las dos frecuencias, y no hubo ningún problema con los capacitores comunes, debe tenerse en cuenta que se podrían producir corrientes y tensiones muy elevadas en caso de mucha ROE, que podrían traer problemas con los capacitores.
NOTA: tener en cuenta que si se usan preamplificadores de antena, en el lado de UHF los capacitores aislan la corriente de alimentacion de los mismos que proviene del equipo, por lo que habra que preveer uns choque para que pase la alimentacion.
No hacen falta herramientas especiales, ni componentes de RF difíciles de conseguir en nuestro país, el ajuste es sencillo y si te animaste a armarlo, decime como te fue.
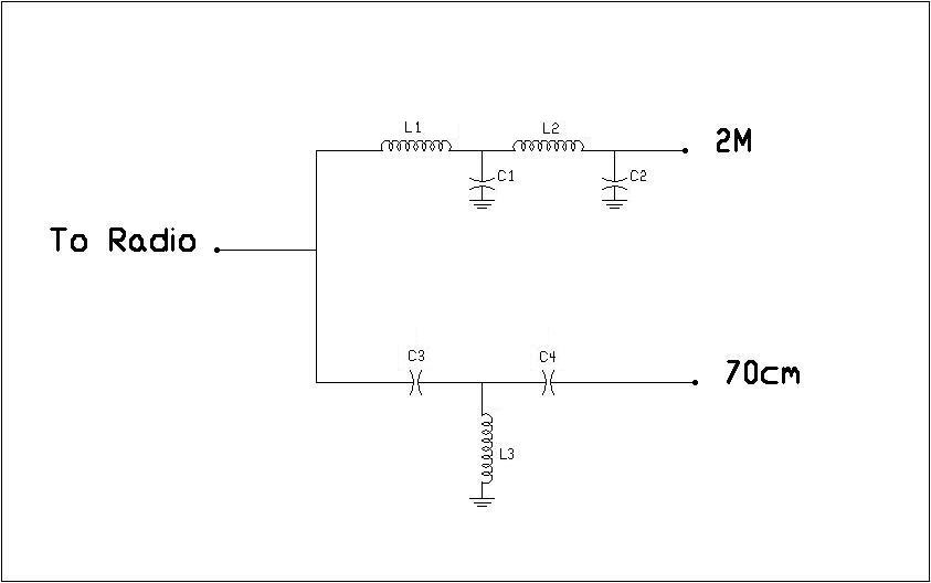
Otra variante del duplexor.
Esquema de un duplexor para VHF y UHF. Mezcla las dos se¤ales para llevarlas por el mismo coaxial o para separarlas hacia o desde la emisora o antena. Es totalmente reversible y se puede conectar en cualquier sentido. Potencia maxima 100 W. No es recomendable emplear mas potencia a no ser que se empleen condensadores de calidad.
Especificaciones obtenidas en 2 unidades montadas: - Perdida de insercion en VHF < 0.5 dB. - Perdida de insercion en UHF < 0.4 dB. - Rechazo en VHF de la se¤al de UHF > 50 dB. - Rechazo en UHF de la se¤al de VHF > 35 dB. El ajuste se realiza con un medidor de estrafalarias, y es muy simple... A minima ROE y ya esta.


Componentes:
VHF:
L1 = 3 Espiras de 8 m/m de diametro interno +/-.
L2 = 4 Espiras de 8 m/m de diametro interno +/-.
C1 y C2 = 20 pF, condensador variable normal y corriente.
UHF:
L3 = Hilo de cobre longitudinal (sigsaguiante), sin enrollar, de 45 a 50 m/m de longitud.
C3 y C4 = 10 pF. Condensador variable normal y corriente.
Evidentemente sera mejor emplear hilo de cobre plateado para las bobinas y condensadores variables de aire minuatura. Los valores dados para los dos prototipos montados han sido hechos con hilo de cobre plateado para las bobinas y condensadores variables normales, de plastico.
En caso de no conseguir una ROE de 1:1 en UHF, habra que jugar alargando o acortando un poquito , cm a cm la linea de la L3. En VHF el ajuste es inmediato , teniendo tanto en V como en U un ancho de banda increible, muy superior a las necesidades de cualquier radioaficionado.
Una cosa mas... PSE, blinda correctamente el montaje para evitar fugas e interferencias de RF. Blinda tambien ambas secciones entre si.
DIPLEXOR DE 2Mts 70cms
Debido a que son similares, los nombres y diplexer dúplex causa cierta confusión.
El Duplex es un dispositivo que separa los 2 dentro de la misma banda de frecuencias, mientras que el diplexer es un dispositivo que separa las dos bandas. Los circuitos dúplex requiere mucho más selectiva, y sólo requiere la diplexer canales como "paso alto" y "paso bajo".
Diplexer Esta se separa de 70 cm a 2 m de viaje en el mismo cable. Permite utilizar 2 antenas en el mismo cable, que permite hasta una banda de transmisión y recepción en el otro, cuando se conecta en el lado de las antenas. También permite el uso de equipos de VHF y UHF, cuando se conecta en el equipo.
Las siguientes mediciones se realizaron en este proyecto, con la entrada y salida de impedancia de 50 ohmios
- La separación entre las dos bandas es muy alta (por encima de de 70 db)
- La inserción de las pérdidas son pequeñas (menos de 0,2 dB). Es de fácil montaje en una caja de metal de 8cm. x 4cm.
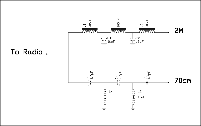
Diagrama esquematico:

Lista de componentes:
L1 y L2 = 1 vuelta con 6mm. de diámetro con alambre de cobre de 1 mm.
L2 = es montado en 90 grados con respecto a la L1.
L3 y L5 = 3 vueltas de 6mm. de diámetro, de plata hilo de cobre de 1 mm.
L4 = 4 vueltas de 6mm. de diámetro, de plata hilo de cobre de 1 mm.
C1, 2, 3 = "aluminio" 3-15pf recortador.
Véase el texto.
C4 y C5 = "aluminio" 4-40pf recortador.
3 = conectores BNC hembra para chasis.
1 = caja de metal que el anterior.
Véase la posición y ubicación de las bobinas en la imagen siguiente:

Idealmente, las bobinas (especialmente en UHF) deberán realizarse a través de cable de cobre chapado en plata. Sin ella, la de cobre esmaltado puede reemplazarlo. Las bobinas L3, 4 y 5, deben dirigirse a 3 maneras diferentes, a 90 grados entre ellos, para evitar el acoplamiento entre ellos.
Después de la reunión deben hacer los siguientes ajustes:
En primer lugar, asegúrese de que el medidor que se estacionario es utilizado correctamente calibrados para VHF y UHF, es decir, de 1:1 indica ORE para una carga de 50 ohmios fantasma. Naturalmente, la carga como el fantasma de metro lista de expertos debería ser adecuado para frecuencias de hasta 450 MHz,
1.
Conecte la carga fantasma en común conector 2m 70 cm
2. Conecte el medidor al conector de la lista de expertos entre 70cm y 70cm de Texas.
Establecer C1, C2 y C3 para ROE 1:1 se aplica como un portador de baja intensidad (hasta 5 W). C1 y C3 debe ser el mismo valor al final;
3. Conecte el Medidor entre el conector de 2m y el TX de 2m. Ajuste C4 y C5 para obtener ROE de 1:1 con señal de una portadora de baja intensidad aplicado. Repita las etapas 1, 2 y 3 pues puede haber interacción entre los ajustes.
El aparato esta pronto paras ser usado.
Atención: La potencia es limitada por la corriente/voltagem máxima de los capacitores. Los trimers pueden ser bien diferentes, dependiendo del modelo, y por eso es importante la elección de componentes de alta calidad para la obtención de mayores potencias. Con los trimers usados en mi protótipo fue posible probar la unidad con hasta 50W.
NT.: La caja debe ser hecha de material suficientemente rígido para no sufrir deformações que podrían alterar los ajustes. Las unidades comerciales son hechas en material sólido usinado con cámaras internas que minimizan la interacción entre las bobinas.