ECUALIZADOR PARA MICROFONOS
(Articulo de EA4NH - su web aqui)
1.- INTRODUCCIÓN.
En anteriores artículos se ha propuesto la construcción de diversos preamplificadores para poder corregir la tonalidad de la señal de audio y ajustarla a las distintas características de la voz del operador o del micrófono utilizado. Estos artículos han aparecido en las revistas correspondientes a los meses de Junio-2001, Marzo-2002 y Abril-2003.
En el artículo correspondiente a la revista de Marzo-2002 se describió un preamplificador-ecualizador de cinco bandas que utilizaba el circuito integrado KA-2223 y en el que la regulación de las bandas de frecuencia y del volumen se realizaba mediante seis potenciómetros deslizantes. Según noticias recibidas de varios lectores que intentaron la realización de este proyecto, este tipo de potenciómetros era difícil o incluso imposible de encontrar. Algún lector intentó la construcción del ecualizador, cableando potenciómetros normales, pero la longitud de los cables impedía el funcionamiento correcto.
Para eliminar estos inconvenientes, en el presente artículo se propone la construcción de un ecualizador de cinco bandas, basado en el circuito integrado KA2223 y donde se utilizan potenciómetros normales giratorios en lugar de los potenciómetros deslizantes usados en el anterior proyecto.
2.- DESCRIPCIÓN.
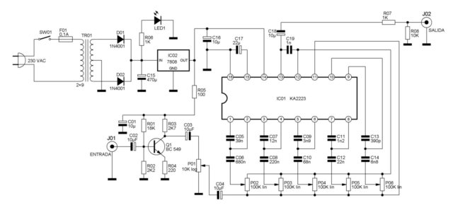
El esquema general del ecualizador se puede ver en la figura número uno. El circuito es el mismo utilizado en el anterior proyecto con la única diferencia de que se ha añadido una fuente de alimentación para poder conectarlo directamente a la red de 220 voltios.
Todos los componentes se montan sobre una placa de circuito impreso sin ningún cableado excepto la línea de alimentación de red y el conexionado externo. Para simplificar el montaje se utiliza placa de circuito impreso de una sola cara, aunque es preciso realizar una serie de puentes por la parte superior de la placa.
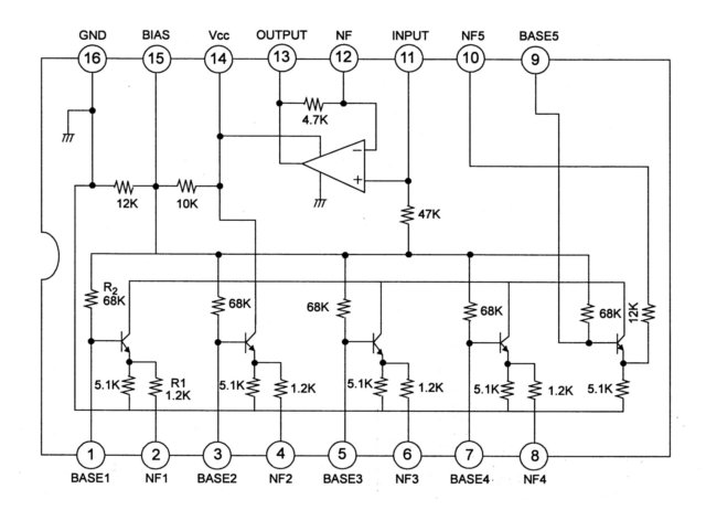
El corazón del montaje lo constituye el circuito integrado KA2223, fabricado por Samsung. En la figura número dos tenemos el esquema interno del KA2223.
Cómo se puede observar, el circuito integrado tiene en su interior un amplificador operacional conectado a las patillas 11, 12 y 13, y cinco transistores con unas redes resistivas. Estos transistores, mediante unos condensadores externos formarán unos filtros pasabanda, cuya ganancia se regulará mediante los correspondientes potenciómetros. Las principales características de este circuito integrado son las siguientes:
* Control de tono con ajuste independiente de cada banda mediante condensadores externos.
* Control de la ganancia mediante una resistencia externa.
* Posibilidad de aumento de las bandas de frecuencia utilizando dos KA2223 en serie.
* Bajo nivel de ruido, típicamente 7 microvoltios.
* Baja distorsión, típicamente 0.02 por ciento.
* Alta señal de entrada, hasta 2 voltios.
* Tensión de alimentación entre 5 y 13 voltios.
La señal de entrada se aplica a un preamplificador formado por el transistor Q1, BC549 y los componentes asociados. La señal de entrada se aplica a la base del transistor Q1 mediante el condensador C2 de 10 microfaradios. Las resistencias R1 y R2 polarizan la base del transistor. La resistencia de emisor no está desacoplada con ningún condensador, por lo que la ganancia del paso es algo menor y la respuesta de frecuencia muy plana dentro de la banda de audio. La ganancia de este paso es de aproximadamente diez veces.
La señal presente en el colector se aplica, a través del condensador C3, a un potenciómetro, P1, que servirá para regular la ganancia total del ecualizador. Del punto medio de este potenciómetro se extrae la señal que se aplica, a través del condensador C4, a los cinco potenciómetros que regulan las cinco bandas de audio ya mencionadas. Cada uno de estos potenciómetros está asociado a dos condensadores con los cuales forma un filtro pasabanda.
La señal de salida se obtiene en la patilla número 13 del integrado U1, y a través del condensador C18 se envía al divisor formado por las resistencias R07 y R08. La salida se toma del punto de unión de estas dos resistencias.
La fuente de alimentación es de diseño clásico y la tensión de salida de 8 voltios está estabilizada mediante el regulador U2 del tipo 7808.
3.- CONSTRUCCIÓN
Para la construcción del ecualizador utilizamos una placa de circuito impreso cuyas medidas son 161 mm x 71 mm y cuyo diseño se puede ver en la figura número tres. En la figura número cuatro tenemos la disposición de los componentes sobre la placa de circuito impreso.
Los componentes necesarios para la construcción del ecualizador son los siguientes.
REF. |
DESCRIPCIÓN |
R01 |
18K |
R02 |
2K2 |
R03 |
2K7 |
R04 |
220 ohm |
R05 |
100 ohm |
R06 |
1K |
R07 |
1K |
R08 |
10K |
C01 |
10 µF / 16 V |
C02 |
10 µF / 16 V |
C03 |
10 µF / 16 V |
C04 |
10 µF / 16 V |
C05 |
39 nF |
C06 |
680 nF |
C07 |
12 nF |
C08 |
220 nF |
C09 |
3900 pF |
C10 |
68 nF |
C11 |
1200 pF |
C12 |
22 nF |
C13 |
390 pF |
C14 |
6800 pF |
C15 |
1000 µF / 25 V |
C16 |
10 µF / 16 V |
C17 |
22 µF / 16 V |
C18 |
10 µF / 16 V |
C19 |
1 nF |
IC01 |
KA2223 |
IC02 |
7808 |
D1 |
1N4001 |
D2 |
1N4001 |
LED1 |
LED |
J01 |
ENTRADA |
J02 |
SALIDA |
P01 |
20K log |
P02 |
100K lin |
P03 |
100K lin |
P04 |
100K lin |
P05 |
100K lin |
P06 |
100K lin |
Q01 |
BC549 |
SW01 |
INTERRUPTOR |
F01 |
100 mA |
TR01 |
9+9 0,1A |
Realizaremos la placa de circuito impreso por los procedimientos habituales y una vez en posesión de todos los componentes procederemos al montaje. Como operación previa realizaremos los doce puentes que están marcados en la disposición de los componentes, figura número cuatro. Estos puentes se hacen con hilo de cobre desnudo. Continuaremos el montaje colocando los componentes más pequeños, diodos y resistencias, continuando con el resto de los componentes, condensadores, transformador, etc.
Para el integrado KA2223 utilizaremos un zócalo de buena calidad, que nos permitirá su fácil sustitución en caso de avería. El regulador IC02 se atornilla a la placa de circuito impreso con un tornillo de 3 mm y su correspondiente tuerca. El transformador es un tipo para circuito impreso con un secundario de 2x9 voltios, aunque también se podrán utilizar otros tipos que no sean para circuito impreso. En ese caso se podrá soldar a la placa mediante unos trozos de hilo desnudo de cobre.
En la figura número cinco podemos ver la placa de circuito impreso antes del montaje. El lector podrá observar alguna diferencia entre esta placa y la plantilla de la figura número tres. Esto es debido a que, una vez montado el prototipo es preciso hacer alguna pequeña corrección que queda correctamente reflejada en la plantilla de la figura número tres.
En la figura número seis podemos ver la placa de circuito impreso con todos los componentes montados. Los potenciómetros utilizados son del tipo para circuito impreso, aunque es posible utilizar el tipo normal para cableado. En este caso habrá que hacer el conexionado mediante cortos trozos de hilo desnudo de cobre. Para el conexionado exterior se han utilizado unas clemas para circuito impreso, pero también se pueden utilizar espadines e incluso soldar directamente los cables a la placa de circuito impreso.
Debido a la utilización de seis potenciómetros, el circuito impreso queda un poco alargado, por lo que no se encontró ninguna caja comercial que tuviese unas dimensiones adecuadas. Por tanto, para poder probar el prototipo se ha construido una caja con aglomerado DM de tres milímetros de grueso, que era el material disponible en el momento de redactar estas líneas. En la figura número siete tenemos la caja cuyas medidas exteriores son 220mm x 110mm x 55mm.
Unos trozos de cuadradillo de 7x7mm dan rigidez a la caja. Para el pegado de las distintas piezas se puede utilizar cola blanca de carpintero o pegamento rápido tipo loctite o similar. Una vez ensamblada la caja, se pintó con pintura gris para darle una mejor presencia. En la figura número ocho tenemos la caja pintada y lista para el montaje.
Una vez seca la pintura, fijaremos en el frente un embellecedor con el diseño que se puede ver en la figura número nueve, el cual se ha realizado con una impresora de chorro de tinta sobre papel fotográfico.
Sus dimensiones son 217mm x 50mm. Para su fijación utilizaremos adhesivo de contacto o mejor adhesivo para fotos en spray.

Pulse en la imagen
De esta manera, el adhesivo se distribuye uniformemente y el frontal queda completamente liso. Como se puede observar, hay seis taladros para los seis potenciómetros, uno en el lado izquierdo para el conector de micrófono y dos en el lado derecho para el interruptor de encendido y el led indicador de encendido. En la parte trasera de la caja hay un taladro para el conector de salida y otro para la entrada del cable de red.
Una vez fijada la plantilla del frontal, recortaremos el papel en los lugares correspondientes a los distintos taladros. La placa de circuito impreso se sujeta al fondo de la caja mediante unos separadores de cinco milímetros de altura y al frente de la caja mediante las tuercas de los potenciómetros. Estas tuercas se han torneado para que no sobresalgan por fuera de los botones de mando. En las figuras número once, doce, trece y catorce se puede ver la placa sujeta a la caja y preparada para el cableado.

Pulse en la imagen
El cableado exterior se reduce a unir los dos conectores de micrófono, de entrada y salida, mediante unos trozos de cablecillo de conexiones, y la entrada y salida de señal con unos trozos de cable blindado de audio. El conexionado general se puede ver en la figura número quince.
Como el transceptor disponible es el modelo TS-570D, se han empleado conectores iguales al de entrada de micro del citado transceptor.
Con unos trozos de cablecillo uniremos los puntos 2, 3, 4, 5 y 8 de los dos conectores situados en el frontal y la parte trasera. Con un trozo de cable blindado uniremos los terminales "ENTRADA" del circuito impreso con los puntos 1 y 7 del conector de micrófono del frontal, y también con cable blindado, uniremos los terminales "SALIDA" con los puntos 1 y 7 del conector situado en la parte trasera. El diodo LED del frontal se conecta a los terminales "LED01" de la placa de circuito impreso. La entrada de tensión de red se conecta a los terminales "230 VAC" y al interruptor de encendido siguiendo el esquema de la figura número uno.
En las figuras dieciséis, diecisiete y dieciocho se pueden ver diversos aspectos del ecualizador una vez cableado.

Pulse en la imagen
En la figura número diecinueve tenemos el ecualizador terminado y en la figura número veinte durante las pruebas con el transceptor de HF.
4.- OPERACIÓN.
Para conectar el ecualizador al transceptor de HF prepararemos un cable con dos conectores iguales al del micro del transceptor. Con cablecillo uniremos los puntos 2, 3, 4, 5 y 8 de los dos conectores, y con cable blindado uniremos los puntos 1 y 7, el vivo al punto 1 y la malla al punto 7. La longitud del cable será la necesaria, según la situación de los equipos. En el prototipo se ha utilizado un cable de unos 50 centímetros.
Antes de utilizar el ecualizador es preciso desconectar el ecualizador interno del transceptor de HF. En el caso del TS-570D esto se realiza accediendo al menú número 14. De esta manera, la respuesta del ecualizador no se verá afectada por el ecualizador interno del transceptor.
Los ajustes del circuito se refieren por un lado al nivel de entrada al transceptor, que se regulará con el potenciómetro P01 y por otro lado al ajuste de la respuesta de frecuencia. Partiremos de una posición inicial con los potenciómetros del ecualizador en su punto medio después retocaremos su posición en función de las características de la voz del operador y del micrófono empleado. A este respecto no se pueden dar indicaciones precisas aunque no es recomendable llevar los potenciómetros a posiciones extremas para evitar sonoridades indeseadas. El control de escucha que nos puedan pasar otros radioaficionados será de gran utilidad para el ajuste del circuito.
5.- RESUMEN.
En el presente artículo se ha propuesto la construcción y puesta en funcionamiento de un ecualizador de cinco bandas, para intercalar entre el micrófono y el transceptor. Con los cinco potenciómetros de que dispone se puede ajustar la respuesta de frecuencia para adaptarla lo mejor posible a la voz del operador así cómo al micrófono empleado. El montaje es muy sencillo y utiliza pocos componentes que se pueden encontrar con facilidad en los comercios de electrónica. Para la construcción del ecualizador se propone la utilización de un circuito impreso que está disponible solicitándolo al autor.
El montaje descrito en el presente artículo no ha sido probado en grandes series y, por tanto, no se tiene certeza de que su funcionamiento sea 100% correcto. Solamente se describe la construcción y el funcionamiento del prototipo.
El autor no se hace responsable de posibles derechos de copia. La información para la realización de este montaje procede de diversas publicaciones, libros, revistas, etc., así cómo de los propios conocimientos del autor.
El autor no se hace responsable de posibles daños y/o perjuicios causados por la construcción y/o uso de este dispositivo, daños personales o muerte, daños a la propiedad, daños al medio ambiente, lucro cesante, perdida total o parcial de datos informáticos o cualquier tipo de daño que se pudiera derivar del montaje y/o uso de este dispositivo.
No se aconseja el uso de este dispositivo en aplicaciones críticas, cómo son control de maquinaria peligrosa, control de navegación o tráfico, maquinaria de mantenimiento de vida o sistemas cuyo mal funcionamiento pueda provocar causas o efectos anteriormente mencionados. Este dispositivo no es tolerante a fallos.
El autor declina cualquier responsabilidad, ni se hace responsable de no mencionar a los dueños de las posibles patentes que aquí se pudieran reflejar.
El dispositivo descrito en el presente artículo es un montaje experimental, cuyo propósito es el estudio de los diferentes aspectos de la Electrónica, por tanto, no está destinado a su utilización industrial ni para su explotación comercial en cualquiera de sus facetas.
El autor no efectúa ninguna actividad comercial relacionada con este u otros montajes publicados en esta u otras revistas o publicaciones de cualquier tipo.
El presente artículo y todos los publicados hasta el momento en la revista "RADIOAFICIONADOS", están recopilados en un DVD a disposición de quien lo solicite. Se incluyen todos los textos, así como las fotografías, dibujos, gráficos, plantillas de circuitos impresos, etc.
Aunque se ha intentado proporcionar todos los detalles necesarios para la realización del proyecto, es posible que algún aspecto no haya quedado suficientemente desarrollado. Como es natural, con mucho gusto el autor dará cumplida información sobre cualquier detalle no especificado, o cualquier punto en particular que no haya quedado completamente explicado. Buena suerte a todos.
Luis Sánchez Pérez. EA4-NH
Apartado 421, 45080 - TOLEDO
E-mail : ea4nh@ure.es