|
FRECUENCIMETRO DIGITAL PARA ADEPATARLO EN UN EQUIPOS CB
Aqui les dejo los circuitos completos para poder instalar un frecuencimetro digital en algunos equipos CB.
Menu [Links]:
Coneccion al Equipo (FC347)
1- Diagrama para DX949, DX959, DX2547
2- Diagrama para DX2517
3- Diagrama para DX2527
4- Diagrama para DX11B y Super Star 3900
5- Diagrama para DX45MP
6- Diagrama para DX48T
7- Diagrama para RCI 296GK / DX y Cobra 148GTL (Nota)
Nota:
Abrir El equipo y ver qué versión de PCB tiene.
Contadores de frecuencia
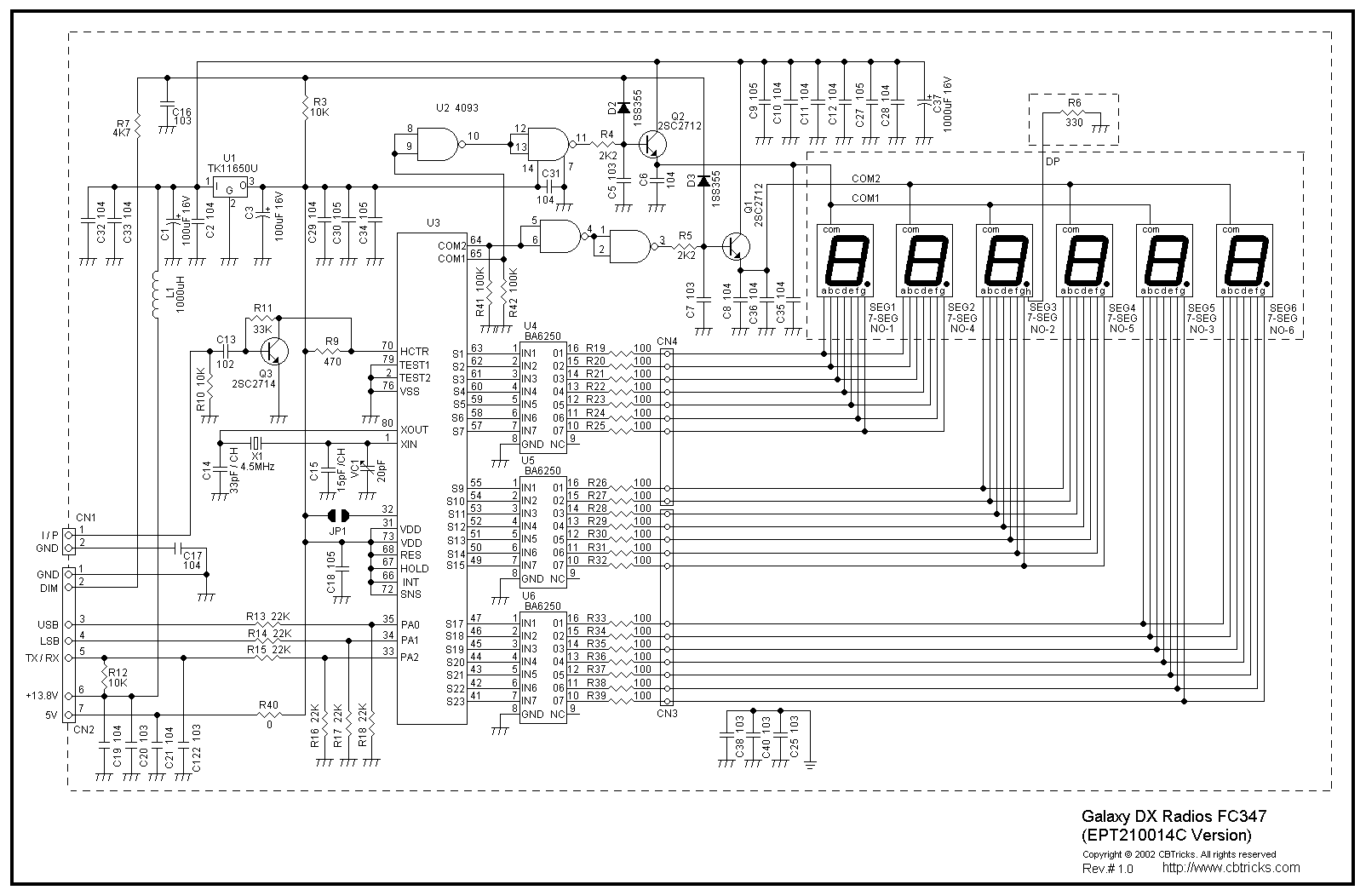
1- Diagrama del contador de frecuencia (EPT210014C)
2- Diagrama del contador de frecuencia (EPT210014D)
Diagrama del Frecuencimetro
Version EPT210014C
FC347 circuito esquematico
Interconeccionado
Version EPT210014D
FC347 circuito esquematico
Interconeccionado
PCB
Circuitos Impresos
Version EPT210014C
Circuito Impreso con componentes
Circuito Impreso
Display Digital Version EPT210021D
Circuito Impreso con componentes
Circuito Impreso
PCB
Circuitos Impresos
Version EPT210021D
Circuito Impreso
Circuito Impreso
Display Digital Version EPT210021D
Circuito Impreso con componentes
Circuito Impreso
EQUIPOS
1- Diagrama para DX949, DX959, DX2547
2- Diagrama para DX2517
3- Diagrama para DX2527
4- Diagrama para DX11B y Super Star 3900
5- Diagrama para DX45MP
6- Diagrama para DX48
7- Diagrama para RCI 296GK / DX y Cobra 148GTL
Contadores de Frecuencia
1- Diagrama del contador de frecuencia (EPT210014C)
En equipos Cobra y Unident usted requiere poner un jumper en JP1
Circuito impreso de doble cara
Parte Superior
Parte Inferior
2- Diagrama del contador de frecuencia (EPT210014D)
En equipos Cobra y Unident usted requiere poner un jumper en JP1
y JP2
Circuito impreso de doble cara
Parte Superior
Parte Inferior
Driagrama
Version EPT210014C
FC347 circuito esquematico

PULSE EN LA IMAGEN PARA AMPLIAR
Interconeccionado
PULSE EN LA IMAGEN PARA AMPLIAR Version EPT210014D
FC347 circuito esquematico
PULSE EN LA IMAGEN PARA AMPLIAR
Interconeccionado
PULSE EN LA IMAGEN PARA AMPLIAR
PCB
Contador Version EPT210014C
Circuito Impreso con componentes
Vista Superior
Vista Inferior
Circuito Impreso
Vista Superior
Vista Inferior
Lista de Materiales
Ref# |
Description |
MFR. Part No. |
|
COUNTER P.C.B. EPT210014C |
#A-700-D01 |
|
COUNTER P.C.B. 62x51x1.6tmm(d) |
EPT210014C |
Resistors
Ref# |
Description |
MFR. Part No. |
R2 |
CHIP/F/R (SMD) 4.7K OHM 0.1W |
RCY014724Z |
R3 |
CHIP/F/R (SMD) 4.7K OHM 0.1W |
RCY014724Z |
R4 |
CHIP/F/R (SMD) 22K OHM 0.1W |
RCY012234Z |
R5 |
CHIP/F/R (SMD) 22K OHM 0.1W |
RCY012234Z |
R6 |
CHIP/F/R (SMD) 22K OHM 0.1W |
RCY012234Z |
R7 |
CHIP/F/R (SMD) 22K OHM 0.1W |
RCY012234Z |
R8 |
CHIP/F/R (SMD) 22K OHM 0.1W |
RCY012234Z |
R9 |
CHIP/F/R (SMD) 22K OHM 0.1W |
RCY012234Z |
R10 |
CHIP/F/R (SMD) 100 OHM 0.1W |
RCY011014Z |
R11 |
CHIP/F/R (SMD) 100 OHM 0.1W |
RCY011014Z |
R12 |
CHIP/F/R (SMD) 100 OHM 0.1W |
RCY011014Z |
R13 |
CHIP/F/R (SMD) 100 OHM 0.1W |
RCY011014Z |
R14 |
CHIP/F/R (SMD) 100 OHM 0.1W |
RCY011014Z |
R15 |
CHIP/F/R (SMD) 100 OHM 0.1W |
RCY011014Z |
R16 |
CHIP/F/R (SMD) 100 OHM 0.1W |
RCY011014Z |
R17 |
CHIP/F/R (SMD) 100 OHM 0.1W |
RCY011014Z |
R18 |
CHIP/F/R (SMD) 100 OHM 0.1W |
RCY011014Z |
R19 |
CHIP/F/R (SMD) 100 OHM 0.1W |
RCY011014Z |
R20 |
CHIP/F/R (SMD) 100 OHM 0.1W |
RCY011014Z |
R21 |
CHIP/F/R (SMD) 100 OHM 0.1W |
RCY011014Z |
R22 |
CHIP/F/R (SMD) 100 OHM 0.1W |
RCY011014Z |
R23 |
CHIP/F/R (SMD) 100 OHM 0.1W |
RCY011014Z |
R24 |
CHIP/F/R (SMD) 100 OHM 0.1W |
RCY011014Z |
R25 |
CHIP/F/R (SMD) 100 OHM 0.1W |
RCY011014Z |
R26 |
CHIP/F/R (SMD) 100 OHM 0.1W |
RCY011014Z |
R27 |
CHIP/F/R (SMD) 100 OHM 0.1W |
RCY011014Z |
R28 |
CHIP/F/R (SMD) 100 OHM 0.1W |
RCY011014Z |
R29 |
CHIP/F/R (SMD) 100 OHM 0.1W |
RCY011014Z |
R30 |
CHIP/F/R (SMD) 100 OHM 0.1W |
RCY011014Z |
R31 |
CHIP/F/R (SMD) 330 OHM 0.1W |
RCY013314Z |
R32 |
CHIP/F/R (SMD) 10 OHM 0.1W |
RCY011004Z |
R33 |
CHIP/F/R (SMD) 100 OHM 0.1W |
RCY011014Z |
R35 |
CHIP/F/R (SMD) 470 OHM 0.1W |
RCY014714Z |
R36 |
CHIP/F/R (SMD) 10K OHM 0.1W |
RCY011034Z |
R37 |
CHIP/F/R (SMD) 47 OHM 0.1W |
RCY014704Z |
R40 |
CHIP/F/R (SMD) 10K OHM 0.1W |
RCY011034Z |
R41 |
CHIP/F/R (SMD) 33K OHM 0.1W |
RCY013334Z |
R42 |
CHIP/F/R (SMD) 0 OHM 0.1W |
RCY010004Z |
Trimmer Capacitors
Ref# |
Description |
MFR. Part No. |
VC1 |
TRIMMER/C (SMD) 20PF TCZ03P200A110B00 |
CV038200AY |
Capacitors
Ref# |
Description |
MFR. Part No. |
C1 |
CHIP/C 0.1UF 50WV Z F Y5V |
CK1104AB7R |
C2 |
E/C (MINI) 100UF 16WV Z |
CEM161077Z |
C3 |
CHIP/C 0.1UF 25WV M Z5U K X7R |
CK2104AA6U |
C5 |
CHIP/C 0.1UF 25WV M Z5U K X7R |
CK2104AA6U |
C6 |
CHIP/C 33PF 50WV J CH |
CK1330AB4A |
C7 |
CHIP/C 15PF 50WV J CH |
CK1150AB4A |
C9 |
CHIP/C 0.001UF 50WV Z SL K X7R |
CK1102AB7L |
C10 |
E/C 1000UF 16WV Z |
CE0161087Z |
C11 |
CHIP/C 0.01UF 50WV M Z5U K X7R |
CK1103AB6U |
C12 |
CHIP/C 0.01UF 50WV M Z5U K X7R |
CK1103AB6U |
C13 |
CHIP/C 0.01UF 50WV M Z5U K X7R |
CK1103AB6U |
C14 |
CHIP/C 0.01UF 50WV M Z5U K X7R |
CK1103AB6U |
C15 |
CHIP/C 0.01UF 50WV M Z5U K X7R |
CK1103AB6U |
C16 |
CHIP/C 0.01UF 50WV M Z5U K X7R |
CK1103AB6U |
C17 |
CHIP/C 0.01UF 50WV M Z5U K X7R |
CK1103AB6U |
C18 |
CHIP/C 0.1UF 25WV M Z5U K X7R |
CK2104AA6U |
C19 |
CHIP/C 0.01UF 50WV M Z5U K X7R |
CK1103AB6U |
C20 |
E/C (MINI) 100UF 16WV Z |
CEM161077Z |
Inductors
Ref# |
Description |
MFR. Part No. |
L1 |
CHOKE COIL 470UH |
ECCHK16096 |
Crystals
Ref# |
Description |
MFR. Part No. |
X1 |
CRYSTAL HC-49/U 4.500MHz |
EYCAP04500 |
Integrated Circuits
Ref# |
Description |
MFR. Part No. |
U1 |
IC (TOSHIBA) (SMD) TC4093BFN 14PIN |
YNTA04093B |
U4 |
IC 80PIN LC7232N-8985 |
YNRG0GX3SP |
U5 |
IC (S.M.D) BA6250F-TP 16PIN |
YNRO06250F |
U6 |
IC (S.M.D) BA6250F-TP 16PIN |
YNRO06250F |
U7 |
IC (S.M.D) BA6250F-TP 16PIN |
YNRO06250F |
U8 |
IC (SGS) L7805 |
ENSG07805Z |
Transistors
Ref# |
Description |
MFR. Part No. |
Q1 |
T/R (SMD) 2SB798DL-(T1) |
TY2SB0798Z |
Q2 |
T/R (SMD) 2SB798DL-(T1) |
TY2SB0798Z |
Q3 |
T/R (SMD) 2SC2714 -TE85L |
TY2SC2714Z |
Connectors
Ref# |
Description |
MFR. Part No. |
|
WIRE CONNECTOR/H 6P L=500,400 |
EX07N48793 |
|
WIRE CONNECTOR/H 6P L=500/600 |
EX07N48794 |
Wire
Ref# |
Description |
MFR. Part No. |
|
LEAD WIRE #26 120MM BROWN 5:5 |
WL0112005Z |
|
LEAD WIRE #26 120MM RED 5:5 |
WL0212005Z |
|
LEAD WIRE #26 120MM ORANGE 5:5 |
WL0312005Z |
|
FLAT CABLE 12P |
WX02212040 |
Display Digital Version EPT210021D
Circuito Impreso con componentes

Circuito Impreso
Lista de Materiales
Ref# |
Description |
MFR. Part No. |
|
DISPLAY P.C.B. EPT210021D |
#A-700-P02 |
|
DISPLAY P.C.B. 83x27x1.6tmm(d) |
EPT210021D |
LED
Ref# |
Description |
MFR. Part No. |
|
LED DISPLAY LSD3922 (GREEN) |
EX03N40485 |
|
LED DISPLAY WINDOW FC-347 |
PA0003020D |
Switch
Ref# |
Description |
MFR. Part No. |
|
PUSH SW SPPH21226A |
EWPS33033X |
|
PUSH KEY BLACK |
PT7001070B |
Contador Version EPT210014D
Circuito Impreso con componentes
Vista Superior

Vista Inferior

Circuito Impreso
Vista Superior

Vista Inferior

Lista de Materiales
Ref# |
Description |
MFR. Part No. |
|
EPT210014D Counter PCB Complete with Components. |
#A-700C1-P01 |
|
COUNTER P.C.B. 162x51x1.6tmm(d) |
EPT210014D |
Resistors
Ref# |
Description |
MFR. Part No. |
R1 |
CHIP/F/R (SMD) 4.7K OHM 0.1W |
RCY014724Z |
R2 |
CHIP/F/R (SMD) 47 OHM 0.1W |
RCY014704Z |
R3 |
CHIP/F/R (SMD) 10K OHM 0.1W |
RCY011034Z |
R4 |
CHIP/F/R (SMD) 4.7K OHM 0.1W |
RCY014724Z |
R5 |
CHIP/F/R (SMD) 4.7K OHM 0.1W |
RCY014724Z |
R6 |
CHIP/F/R (SMD) 330 OHM 0.1W |
RCY013314Z |
R7 |
CHIP/F/R (SMD) 10K OHM 0.1W |
RCY011034Z |
R8 |
CHIP/F/R (SMD) 10K OHM 0.1W |
RCY011034Z |
R9 |
CHIP/F/R (SMD) 10K OHM 0.1W |
RCY011034Z |
R10 |
CHIP/F/R (SMD) 100 OHM 0.1W |
RCY011014Z |
R11 |
CHIP/F/R (SMD) 10K OHM 0.1W |
RCY011034Z |
R12 |
CHIP/F/R (SMD) 330 OHM 0.1W |
RCY013314Z |
R13 |
CHIP/F/R (SMD) 10K OHM 0.1W |
RCY011034Z |
R14 |
CHIP/F/R (SMD) 1K OHM 0.1W |
RCY011024Z |
R15 |
CHIP/F/R (SMD) 39K OHM 0.1W |
RCY013934Z |
R16 |
CHIP/F/R (SMD) 47 OHM 0.1W |
RCY014704Z |
R17 |
CHIP/F/R (SMD) 330 OHM 0.1W |
RCY013314Z |
R18 |
CHIP/F/R (SMD) 220 OHM 0.1W |
RCY012214Z |
R19 |
CHIP/F/R (SMD) 1M OHM 0.1W |
RCY011054Z |
R20 |
CHIP/F/R (SMD) 100K OHM 0.1W |
RCY011044Z |
R21 |
CHIP/F/R (SMD) 680 OHM 0.1W |
RCY016814Z |
R22 |
CHIP/F/R (SMD) 680 OHM 0.1W |
RCY016814Z |
R23 |
CHIP/F/R (SMD) 680 OHM 0.1W |
RCY016814Z |
R24 |
CHIP/F/R (SMD) 680 OHM 0.1W |
RCY016814Z |
R25 |
CHIP/F/R (SMD) 680 OHM 0.1W |
RCY016814Z |
R26 |
CHIP/F/R (SMD) 680 OHM 0.1W |
RCY016814Z |
R27 |
CHIP/F/R (SMD) 680 OHM 0.1W |
RCY016814Z |
R28 |
CHIP/F/R (SMD) 680 OHM 0.1W |
RCY016814Z |
R29 |
CHIP/F/R (SMD) 680 OHM 0.1W |
RCY016814Z |
R30 |
CHIP/F/R (SMD) 680 OHM 0.1W |
RCY016814Z |
R31 |
CHIP/F/R (SMD) 680 OHM 0.1W |
RCY016814Z |
R32 |
CHIP/F/R (SMD) 680 OHM 0.1W |
RCY016814Z |
R33 |
CHIP/F/R (SMD) 680 OHM 0.1W |
RCY016814Z |
R34 |
CHIP/F/R (SMD) 680 OHM 0.1W |
RCY016814Z |
R35 |
CHIP/F/R (SMD) 680 OHM 0.1W |
RCY016814Z |
R36 |
CHIP/F/R (SMD) 680 OHM 0.1W |
RCY016814Z |
R37 |
CHIP/F/R (SMD) 680 OHM 0.1W |
RCY016814Z |
R38 |
CHIP/F/R (SMD) 680 OHM 0.1W |
RCY016814Z |
R39 |
CHIP/F/R (SMD) 680 OHM 0.1W |
RCY016814Z |
R40 |
CHIP/F/R (SMD) 680 OHM 0.1W |
RCY016814Z |
R41 |
CHIP/F/R (SMD) 680 OHM 0.1W |
RCY016814Z |
R43 |
CHIP/F/R (SMD) 10K OHM 0.1W |
RCY011034Z |
R44 |
CHIP/F/R (SMD) 10K OHM 0.1W |
RCY011034Z |
R45 |
CHIP/F/R (SMD) 10K OHM 0.1W |
RCY011034Z |
R46 |
CHIP/F/R (SMD) 1K OHM 0.1W |
RCY011024Z |
Capacitors
Ref# |
Description |
MFR. Part No. |
C1 |
E/C 100UF 16WV H=5mm |
CEM161077A |
C2 |
CHIP/C 0.1UF 50WV Z F Y5V |
CK1104AB7R |
C3 |
CHIP/C 0.1UF 50WV Z F Y5V |
CK1104AB7R |
C4 |
CHIP/C 0.1UF 50WV Z F Y5V |
CK1104AB7R |
C5 |
E/C 100UF 16WV H=5mm |
CEM161077A |
C7 |
CHIP/C 0.01UF 50WV M Z5U K X7R |
CK1103AB6U |
C8 |
CHIP/C 0.01UF 50WV M Z5U K X7R |
CK1103AB6U |
C9 |
CHIP/C 0.01UF 50WV M Z5U K X7R |
CK1103AB6U |
C10 |
E/C 100UF 16WV Z |
CE0161077Z |
C11 |
CHIP/C 0.01UF 50WV M Z5U K X7R |
CK1103AB6U |
C12 |
CHIP/C 0.01UF 50WV M Z5U K X7R |
CK1103AB6U |
C13 |
CHIP/C 0.1UF 50WV Z F Y5V |
CK1104AB7R |
C14 |
CHIP/C 0.01UF 50WV M Z5U K X7R |
CK1103AB6U |
C15 |
CHIP/C 0.01UF 50WV M Z5U K X7R |
CK1103AB6U |
C16 |
E/C 100UF 16WV H=5mm |
CEM161077A |
C17 |
CHIP/C 15PF 50WV J CH |
CK1150AB4A |
C19 |
CHIP/C 0.1UF 50WV Z F Y5V |
CK1104AB7R |
C20 |
CHIP/C 0.01UF 50WV M Z5U K X7R |
CK1103AB6U |
C21 |
CHIP/C 0.1UF 50WV Z F Y5V |
CK1104AB7R |
C22 |
CHIP/C 0.1UF 50WV Z F Y5V |
CK1104AB7R |
C23 |
CHIP/C 0.1UF 50WV Z F Y5V |
CK1104AB7R |
C24 |
CHIP/C 0.1UF 50WV Z F Y5V |
CK1104AB7R |
C25 |
CHIP/C 0.1UF 50WV Z F Y5V |
CK1104AB7R |
C26 |
CHIP/C 0.1UF 50WV Z F Y5V |
CK1104AB7R |
C27 |
CHIP/C 0.1UF 50WV Z F Y5V |
CK1104AB7R |
Ref# |
Description |
MFR. Part No. |
VC1 |
TRIMMER/C (SMD) 20PF TCZ03P200A110B00 |
CV038200AY |
Integrated Circuit
Ref# |
Description |
MFR. Part No. |
IC1 |
I.C.(JRC) (SMD) NJM78L05UA-TE1 |
YNJR78L05Z |
IC2 |
I.C.(PHILIPS) (SMD) 74HC161D 16PIN PCS |
YNPHHC161D |
IC3 |
I.C.(RANGER) (SMD) HT48R50A-48 48PIN PCS |
YNRGFC04SP |
Crystals
Ref# |
Description |
MFR. Part No. |
X1 |
CRYSTAL HC-49/U 4.500MHz |
EYCAP04500 |
Diodes
Ref# |
Description |
MFR. Part No. |
D1 |
DIODE (SMD) 1SS355 |
EDSS00355Y |
D2 |
DIODE (SMD) 1SS355 |
EDSS00355Y |
D3 |
DIODE (SMD) 1N4148 |
ED1N04148Y |
D4 |
DIODE (SMD) 1N4148 |
ED1N04148Y |
Transistors
Ref# |
Description |
MFR. Part No. |
Q1 |
T/R (SMD) 2SC2712GR-TE85L |
TY2SC2712G |
Q2 |
T/R (SMD) 2SC2712GR-TE85L |
TY2SC2712G |
Q3 |
T/R (SMD) 2SC2714Y-TE85L (T5L) |
TY2SC2714Z |
Q4 |
T/R (SMD) 2SA1162GR-TE85L |
TY2SA1162G |
Inductors
Ref# |
Description |
MFR. Part No. |
L1 |
CHOKE COIL (SMD) 100UH TF J |
YCTLI1073F |
Connectors
Ref# |
Description |
MFR. Part No. |
|
WIRE CONNECTOR/H 6P L=500,400 |
EX07N48793 |
|
WIRE CONNECTOR/H 6P L=500/600 |
EX07N48794 |
Wire
Ref# |
Description |
MFR. Part No. |
|
LEAD WIRE #26 120MM BROWN 5:5 |
WL0112005Z |
|
LEAD WIRE #26 120MM RED 5:5 |
WL0212005Z |
|
LEAD WIRE #26 120MM ORANGE 5:5 |
WL0312005Z |
|
FLAT CABLE 12P |
WX02212040 |
Display Digital Version EPT210021D
Circuito Impreso con componentes

Circuito Impreso
Lista de Materiales
Ref# |
Description |
MFR. Part No. |
|
DISPLAY P.C.B. EPT210021D |
#A-700-P02 |
|
DISPLAY P.C.B. 83x27x1.6tmm(d) |
EPT210021D |
LED
Ref# |
Description |
MFR. Part No. |
|
LED DISPLAY LSD3922 (GREEN) |
EX03N40485 |
|
LED DISPLAY WINDOW FC-347 |
PA0003020D |
Switch
Ref# |
Description |
MFR. Part No. |
|
PUSH SW SPPH21226A |
EWPS33033X |
|
PUSH KEY BLACK |
PT7001070B |
|