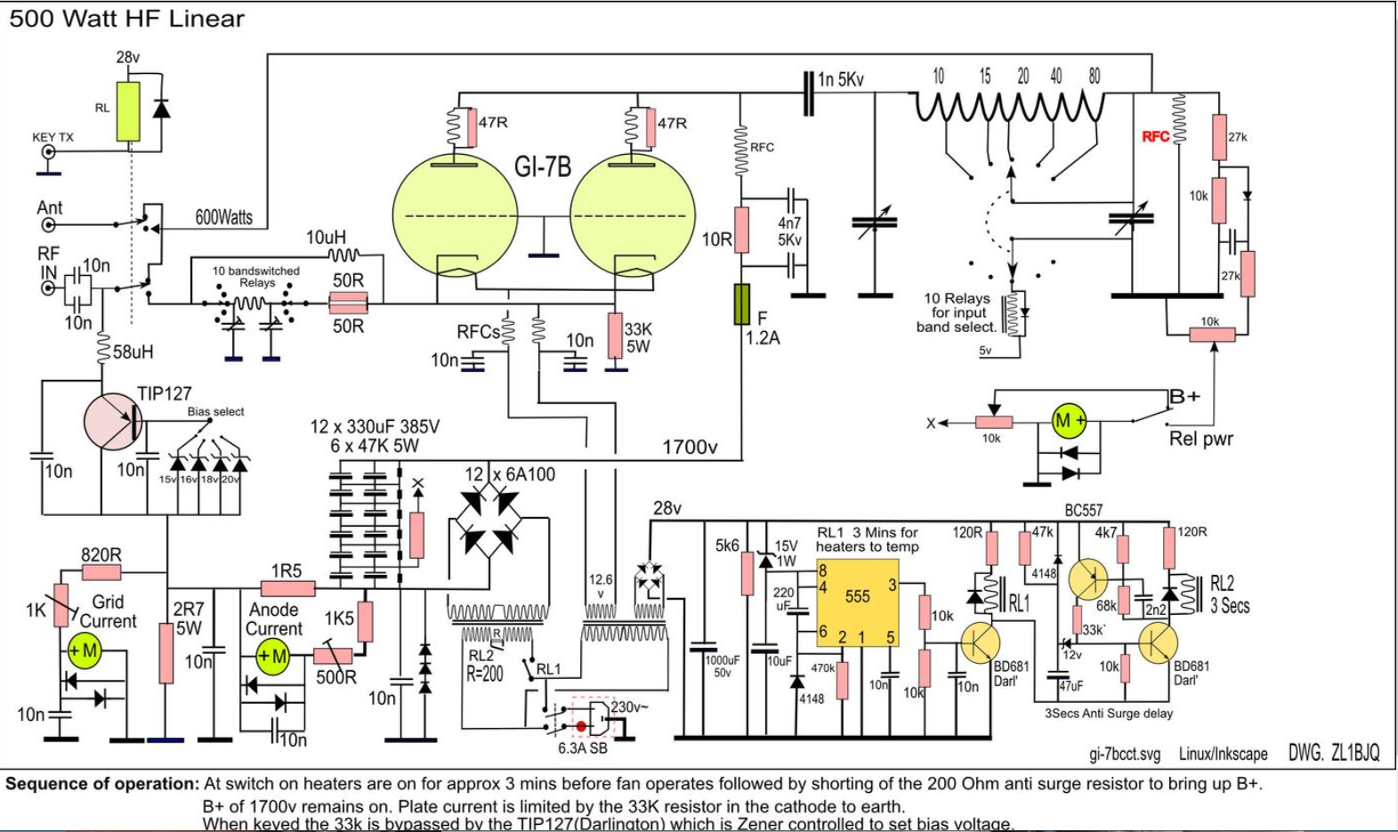
600 Watt GI-7B Lineal... Sí, ¡otro!
(Sitio WEB Original, pulse aqui)

Hace casi dos años compré cuatro válvulas G1-7B para hacer otro amplificador lineal. El progreso fue bueno y calculo que me faltaban un par de semanas para completar las pruebas. Se probaron la placa del temporizador y las fuentes de alimentación. La entrada sintonizada y los circuitos del tanque estaban todos bien, tal como se comprobaron con el analizador AA30. Todo lo que queda por hacer es un medidor de red y su cableado, un conector de llave, un suministro de 5 voltios para los relés de la banda de entrada, dos luces indicadoras y la reactivación de un par de los cuatro tubos. 

Ahora terminé este lineal y lo puse al aire el 21 de noviembre de 2015.

Aquí hay algunos comentarios y fotos. Gran parte de la idea proviene de Fritz en pa0fri, una mina de información. Hay muchos ccts GI-7B sobre. Mi propia fuente de alimentación y temporizadores, etc. pueden ser diferentes y, por supuesto, el diseño siempre es un rasguño, pero los circuitos de RF fundamentales son todos similares. Mi esfuerzo no es diferente, y funciona.

Reactivación.
Estos tubos funcionan CALIENTES y mi primer intento de reactivar solo uno en el banco derritió el tubo.
 El pasador en la parte inferior casi se cae. Los voltios del calentador eran marginalmente altos a 13.2v y no tenía ventilador. Parece que estos tubos son como un ventilador incluso con solo los calentadores encendidos. Supongo que todos ustedes sabían eso.  (Reemplacé el derretido) 
Haga clic en las fotos para agrandar
(Las imágenes dicen más que mil palabras)

Un par de tubos Gi-7B están cableados debajo de forma similar a Fritz, PA0FRI.

Un ventilador de 12v está montado debajo que sopla hacia arriba y los cilindros rodean los ánodos de los tubos para contener el flujo de aire. Los cilindros son de bajante de agua de lluvia y están divididos para facilitar su extracción/instalación. El ventilador está montado contra un material blando de 1/8" de grosor para reducir el ruido y cualquier vibración. Los clips de cobre doblados sujetan firmemente la brida de la rejilla del tubo a la superficie plana. Todo el módulo de RF se puede quitar con bastante facilidad. Un toroide de 800va está en el chasis base debajo de la pcb del rectificador/filtro C. La CA del toroide está conectada a la placa del rectificador a través de una regleta de terminales. Es útil levantar esta entrada de CA cuando se realicen pruebas más adelante y cuando solo se necesiten voltajes bajos. (230V) es relativamente seguro con solo 28vDC y el htr 12.6v ac en vivo.

Los pares de relés se seleccionan con una oblea añadida en el eje del interruptor de banda. Los trimmers cerámicos se ajustan para min SWR. Una plataforma de estado sólido con ajuste automático lo manejará sin volverse loco. La entrada sintonizada se basa en la placa WD7S TU-6B, pero no recuerdo de dónde provienen los valores de los componentes. La sintonización para min SWR se realizó con un analizador AA30. Se usó una resistencia de 1/4w como carga ficticia en la salida de la placa de circuito impreso y cada par de relés se energizó a su vez. El valor de carga ficticia utilizado fue 50R+ el 25R que está en serie, un total de aproximadamente 80R para 10/15/20/ y 40 mtrs. A 80mtrs la impedancia es menor y usé solo 50R. Incluso eso es alto.
Consulte el sitio F1FRV de Dominique y desplácese hacia abajo en la página de placas lineales de amplificador de triodo.    
Los relés de mi placa de entrada eran de 5 V, no quedaba ninguna versión de 12 V. Se utiliza una caída en serie R desde el suministro del ventilador de 12 V, ya que los relés siempre tienen una carga constante.

Mi estrangulador de ánodo tiene una varilla de ferrita en el interior que aleja cualquier resonancia de nuestras frecuencias operativas.

El PCB montado verticalmente tiene temporizadores y relés para la secuencia de encendido. Los calentadores de tubo se activan casi 3 minutos antes de que B+ esté disponible después de un retardo antisobrevoltaje de 3 segundos. El ventilador también se enciende después de los 3 minutos.

Ahora uso baldosas de cerámica para las placas finales de los condensadores.
La formación de arcos es menos probable con cerámica, '¡honesto! 
El material es ideal y manejable con mimo. Mi capacitancia mínima de aproximadamente 25 pF parece demasiado alta para 10 mtrs, tenga en cuenta.

A la izquierda está el amplificador terminado. La linealidad es perfecta en todas las bandas y la potencia de salida de hasta 600w pep está bien.

Mis medidores son unidades de 50uA con derivaciones y multiplicadores para adaptarse a B+/rel pwr, corriente de red y corriente de ánodo.

Un devanado de 12v separado alimenta el ventilador y los relés de entrada de 5v a través de otro rectificador.  

El relé aéreo se modifica para funcionar como se muestra y funciona bien. Cortesía de Lloyd - ZL1LA.

La imagen central inferior muestra el interruptor de preselección para el voltaje zener de polarización. Z=15,16,18,20v. Depende en gran medida del voltaje B+.