Amplificador Lineal de 500 Vatios de 2 a 30 Mhz

Lineal

500W-LIN.GIF muestra el circuito de un amplificador de 500 vatios lineal que es basado en un diseño de Frits Geerligs, PA0FRI. El circuito utiliza cuatro PL519 TV válvulas de salida de línea en un circuito muy simple que se preste más de 450 vatios en 3.5MHz (350W a 30 MHz). PL519 (o 40KG6A) es una más sólido para sustituir a la anterior PL509 (40KG6) tubos.
Ambas válvulas trabajará en este circuito. La unidad de potencia de entrada es de unos 50W - 100W
por lo que es compatible con la mayoría de aficionados de radio transmisores de alta frecuencia. No aparece en el circuito es el ventilador de refrigeración que se requiere para la fuerza aérea en torno a las válvulas para enfriarlos. En la operación se ajusta 1K0 olla para establecer el total de la válvula de ánodo actual a alrededor de 50 mA a 70 mA.

T1 es un balun 4:1 herida de 5 cm en una varilla de ferrita. 9 + 9 vueltas. Conecte el final de la primera liquidación del comienzo de la segunda para formar el centro toque. L1 9 unvicies de 3mm Dia. herida en un cable de 25 mm diám., 60mm largo antigua.
L2 es 18T en un antiguo torroidal. Utilice dos longitud de 2 mm diám. alambre; un con 11t y el otro con 7T.

Los 50 vatios resistencia de 100 ohms recomendados por PA0FRI está formada por dos 50 ohmios de 25 W no inductivo A-220 resistencias en serie empernada al lado de la abanico. Yo uso 100 x 10K carbono dispuestos resistencias entre dos piezas de 10x10 de 0,1 "matriz de pensión (veroboard). Mi método es más barato y evita la necesidad de montar los circuitos de entrada por encima del chasis. Todas las entradas se mantienen por debajo de el chasis y la válvula de salida y terminales ánodo circuito se mantiene debajo del chasis. El recortador 100pf condensador se ajusta a la mejor
VSWR conducción de la emisora en 29MHz.

Los cuatro calentadores de 40 voltios válvula puede ser conectados en serie, a continuación, conecta a la red de 220 voltios a través de un condensador 6uf 250VAC de 50 Hz (5uf por 60
Hz). Yo personalmente a favor del uso de un transformador de 40 voltios en liquidación un transformador de fabricación casera para ejecutar todas las válvulas de los calentadores (en paralelo), como así como el ventilador de 40 voltios. Esto pone menos tensión en el cátodo / calentador aislamiento de los tubos antiguos que puedan haber sido pateado en torno a cajas de basura durante años.

fuernte

PA0FRI sugested un switcheable el suministro de energía y ofrece 325 voltios, 650 voltios o 1300 voltios para el amplificador. El circuito es muy inteligente, y se muestra a continuación por su interés.

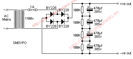
Yo prefiero una casa herida transformador. Este fue construido a partir de un 500 vatios de edad 120/240 voltios de auto-transformador. Aquí está el circuito de mi PSU (40 voltios secundaria no se muestra).

500

Todos los hilos de edad fue retirado de los antiguos transformador, siendo uno de los pobres calidad (yo no creo que se cobre!). Todas las laminaciones se barnizada y los 1300 voltios secundaria fue muy bien aislado de la otros devanados. Las bobinas fueron:

Primaria de 240 voltios
40 voltios secundaria
1100 voltios secundaria

Bobinado de transformadores puede ser muy involucrados y estoy escribiendo un artículo para esto en otra página. Pero aquí es el método que utilicé. Medida disponible la liquidación y el 16% de llenar con alambre esmaltado 0.7mm contar las vueltas. Añadir una disolución idénticos con el mismo número de turnos. Añadir una tercera liquidación utilizando el mismo indicador, pero sólo el 36% de la número de vueltas. Agregar un cuarto liquidación usando 10 veces el número de 0,2 mm se convierte utilizando alambre esmaltado. Todos los bobinados son de estar bien aislados unos de otros y el 4 de disolución deberá ser disuelta en alrededor de cinco secciones aislados unos de otros. Yo uso papel encerado para el aislamiento. NO utilizar cinta adhesiva, cinta adhesiva o cinta aislante pegajosa respaldados.

Conectar las dos primarias de 240v en serie o en paralelo para la operación de 120v. Consulte con un contador que la resistencia del transformador devanados están aislados unos de otros y el caso. Cuando la electricidad la prueba, el transformador, que conecta a la red sin una carga, la alimentación en serie con una alimentación de 100 vatios de bombillas. Compruebe que la dos secundarios de 40V y se acerca 1100v. Si la bombilla se enciende entonces usted tiene una de las primarias al revés o hay un fallo en el transformador de la construcción.

NOTA DE QUE LA altos voltajes involucrados con este proyecto son POTENCIALMENTE
Letal y puede matar

Traducido por Google
Articulo de SM0VPO

Cerrar ventana