Amplificador Lineal 2 x 813 Multibanda
Les dejo un pequeño artículo, sobre la construcción, de un Amplificador Lineal con 2 Válvulas 813 para las Bandas de 40,30,20,17,15 y 10 Mts.
El mismo fué construido, basado en un diseño de Pat Murdoch ZL1AXB, que pesenta un circuito de caldeo directo de cátodo a través de un Pi sintonizado, consistente en una bobina L2 construida con caño de cobre de 3/16 de pulgada y llevando en su interior un cable de 2 mm aislado (podria ser de los de aislación de Teflón), siendo la cantidad de vueltas de 7 y 1/2, esta bobina se encuentra en paralelo con un capacitor variable de 2 secciones C3 y también en paralelo con una resistencia de 2.5k de 2 o más watts de disipación. En mi caso la derivación para la entrada está exactamente a media bobina, igualmente Uds. podrán ir probando hasta llegar al mejor ajuste.(menor roe a la entrada)
Las válvulas estan en posición horizontal, para poder tener un gabinete de menor altura. Pueden apreciar que los terminales de los filamentos quedan perpendiculares al chasis . esta es la posición correcta , según los datasheet de las válvulas que aconsejan este tipo de montaje para su utilización en forma horizontal.

Circuito del Amplificador (Click para ampliar.. Igualmete es aconsejable copiar la imágen a sus PC´s.)

Vista de la bobina de Entrada, los zócalos y la primera pueba de bobina Pi.
Este circuito en el cátodo, nos permite sintonizar la entrada de las 813 y lograr una perfecta adaptación entre el amplificador y el equipo excitador, además y según aclaraciones de Pat, el mismo, mejora notablemente el rendimiento de las válvulas.
La bobina del Tanque se construye con Caño de 3/16 (8 vueltas) y con caño de 1/8 (También 8 Vueltas) sobre una forma de 50 mm. de diámetro con un espaciado aproximado de 2.5 mm. Siendo las derivaciones como sigue a continuación: Contando desde C1 2 vueltas para 10 Mts. 2 y 1/2 vueltas para 12 Mts. 4 vueltas para 15 Mts. 5 vueltas para 17 Mts. 7 y 1/2 vueltas para 20 Mts. 11 vueltas para 30 Mts, y el total de la bobina para 40 Mts.

Otra Vista de la construcción, se aprecia el Trafo de Filamento y el Trafo de 12 v para reles y ventiladores
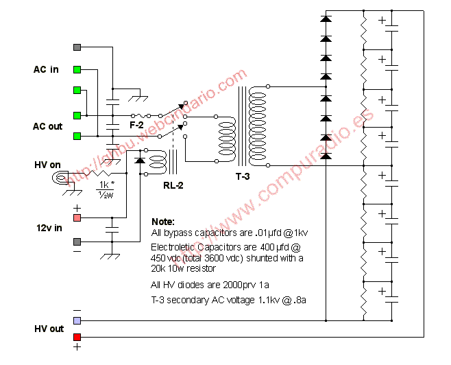
El circuito de la fuente es el siguiente , según original del autor. El mismo utiliza un doblador con el que consigue 3000 volts.

En mi caso y de un desguace utilicé un transformador THORDARSON, de trabajo continuo, de 3750 volts entre puntas y una corriente de unos 600 a 700 ma. Utilicé un esquema de fuente de dos ramas de 1875 volts rectificadas con masa común, obteniendo aproximadamente ( no tengo para medir tanta tensión ) y según las matemáticas unos 2650 Volts en placa.
El diodo zener para el corte de las válvulas. se puede comprar en GM Electrónica(www.gmelectronica.com.ar), con un costo de 30 pesos, en mi caso el lineal utiliza 3 reles (uno para antena, otro para el zenner y el tercero para lucecitas recepción transmisión).
El circuito es por demás simple y no hay complicaciones. Lo más difícil de conseguir, es el trafo de filamento , en mi amplificador el mismo no llega al límite inferior de tensión de las válvulas, debido a la baja tensión que existe en linea normalmente en mi qth, que es de entre 207 y 210 volts, habiendo días buenos con 217 volts en linea .
Como dije anteriormente el circuito es por demás simple y no requiere mayores explicaciones, el lineal trabaja de manera excelente y con una tensíon de 207 a 209 volts entrega unos 630 650 watts al hola ( exitandolo con el ten-tec unos 80 a 100 watts) en la banda de 40 Mts. Como lya comenté, la tensíón de filamento no es la óptima, entonces con la ayuda de un elevador de tensión sobre el transformador de filamento y una tensión de 230 volts de linea la potencia trepa a los 750 watts al hola.
Con el mismo elevador y en esa tensión (230 Volts), aplicado tambien a la fuente de AT la potencia llega a los 900 watts siempre en la banda de 40 mts.
Las válvulas trabajan de muy buena forma y con cuatro ventiladores de fuente de Pc, se manejan más que cómodas. Cabe destacar que una válvula es nueva y otra tiene uso (no se cuanto ni como).

Instrumentos y comandos de Izq. a Der. Tensión de Placa, Corriente, y Power Output.
Capacitor de Placa , Llave de Bandas, Capacitor de Antena y Capacitor de Entrada
Llaves Encendido , AT, Stby Luces Verde Recepción Rojo Transmisión
Articulo obtenido de LW3EWZ