Noise
Bridge Para HF
( Puente de Ruido )

ATENCIÓN:
ESTE INSTRUMENTO DEBE DE SER USADO SOLO EN RECEPCIÓN
El puente de ruido es un buen instrumento que les servirá para poder
calibrar la antena a máxima irradiación. Va conectado entre
el transceptor y la antena.
La frecuencia de trabajo es entre 1.8 y 30 Mhz.
Se deberá de colocar un receptor (en Recep.), preferentemente de banda
corrida y ajustando la resistencia variable de 250 ohms y el condensador variable
de 250pF, se podrá saber la impedáncia que hay en la antena
(Z-Descono.)
Prenda el receptor, tendrá un ruido que es generado por el diodo zener,
mueva el condensador variable y la resistencia variable, hasta tener un sonido
blanco ( batido cero ), ahí podrá tener la resistencia inductiva
y capacitancia de la antena.
También podrá poner el condensador variable a 0pF y la resistencia
variable a 52 ohms, y mover el dial del receptor, de esta manera podrá
ver en que frecuencia exacta esta resonando la antena.
En el primer caso puede ver resistencia y capacitancia, en el segundo caso
puede ver la resonancia de la antena.
Construcción
Esta construido en un gabinete de aluminio de 5 x 2 3/8 x 3 3/4 pies.
La mayor parte de los componentes se montan en una placa de circuito impreso,
esto permite que las lecturas sean mas rápidas.
Tenga en cuenta que el potenciometro de 250 ohms, deberá de ir aislado
de tierra para evitar errores de lectura, ademas y si es posible, utilice
un potenciometro de buena calidad.
Con el condensador variable de 250pF no tendrá problemas en montarlo
ya que el rotor de este va a tierra.
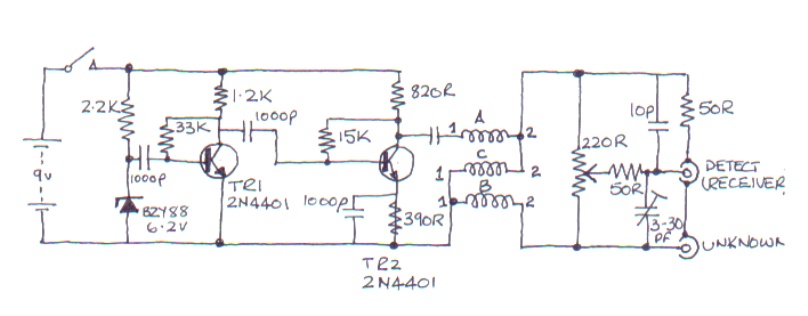
El Circuito:
El
circuito integrado, es un LM703 o equivalente.
T1 = es un devanado trifilar de 8 espiras sobre un núcleo toroidal,
tipo FT-37-43 ( diámetro externo = 0.375 pulgadas;diámetro interno
= 0.187 pulgadas; alto = 0.188 pulgada ), con alambre Nº 26 ( 0.455 mm
).
Salvo especificaciones, todas las resistencias están dadas en ohms
y los condensadores en micro-Faradios.
La alimentación, es una batería de 9 volt, conviene ponerle
una llave de corte para cuando no la estemos usando.
Calibración
Para calibrar el circuito, necesitara tres enchufe coaxil, uno con cero ohm
de impedáncia, cortocircuito entre masa y el vivo; otro con una resistencia
de 50 ohms entre masa y el vivo; y el ultimo con una resistencia de 180 ohms.
También puede colocar una resistencia variable para calibrar la escala
del aparato.
Tenga cuidado en seleccionar resistencias no inductivas para la calibración,
y recuerde que según la resistencia que tenga, es la resonancia que
tendrá. De todos modos, las resistencias de carbón de 1/4 watt,
funcionaran bien para la calibración. Puede poner si lo desea una resistencia
variable miniatura en el enchufe coaxil, a simple efectos de calibrar la escala.
Para calibrar la escala del condensador, corte un pedazo de cable coaxil RG-8M
( 52.5 ohms ), de exactamente un cuarto de onda de la frecuencia de 10 MHZ
y enchufelo a la salida del instrumento, podrá calibrar la escala por
medio de la frecuencia de trabajo.
Según Radio Shack, la tabla de frecuencia, para calibrar las escalas,
con respecto a la capacitancia es la siguiente.
|
Capacitancia
|
|||
|
C
( pF )
|
F
( Mhz )
|
C
( pF )
|
F
( Mhz )
|
|
10
|
9.798
|
-10
|
10.219
|
|
20
|
9.612
|
-20
|
10.459
|
|
30
|
9.440
|
-30
|
10.721
|
|
40
|
9.280
|
-40
|
11.010
|
|
50
|
9.130
|
-50
|
11.328
|
|
60
|
8.990
|
-60
|
11.679
|
|
70
|
8.859
|
-70
|
12.064
|
|
80
|
8.735
|
-80
|
12.484
|
|
90
|
8.618
|
-90
|
12.935
|
|
100
|
8.508
|
-100
|
13.407
|
|
110
|
8.403
|
-110
|
13.887
|
|
120
|
8.304
|
-120
|
14.357
|
|
130
|
8.209
|
-130
|
14.801
|
|
140
|
8.119
|
-140
|
15.211
|
Para
ajustar la escala de la reactancia y con el cable coaxil cortado a la frecuencia,
siga los siguientes pasos:
1) Pongase en la frecuencia de 10 Mhz, deje la resistencia variable a 0 ohms
y no conecte aun el cable coaxil a la salida.
2) Ajuste el condensador variable hasta llegar al punto nulo del ruido, no
ajuste la resistencia hasta que encuentre el punto nulo.
3)Conecte el pedazo de cable coaxil ( de 52.5 ohms - RG-8M ) a la salida del
instrumento, en la frecuencia de recepción, mueva la potenciometro
( resistencia variable ) hasta encontrar el punto nulo de la frecuencia.
Si el punto nulo no lo puede encontrar y ve que esta por debajo de 10 Mhz,
es que el cable coaxil que usted corto es demasiado corto.
Normalmente, la reactancia a 10 Mhz se puede calcular de la siguiente manera
( tendrá un error de un 5% aproximadamente ):
((R0*(F/10))*(Tan((F/40)*2*PI))
Donde
R0, es la características resistívas del cable coaxil; F, es
la frecuencia en Mhz. El resultado es Xi,que es la reactancia del cable a
10 Mhz.
De esto podremos obtener la siguiente tabla.
|
Reactancia
|
|||||||
|
Xi
|
F
( Mhz )
|
Xi
|
F
( Mhz )
|
Xi
|
F
( Mhz )
|
Xi
|
F
( Mhz )
|
|
10
|
3.318
|
140
|
8.119
|
-10
|
19.376
|
-140
|
12.861
|
|
20
|
4.484
|
150
|
8.217
|
-20
|
18.722
|
-150
|
12.654
|
|
30
|
5.262
|
160
|
8.306
|
-30
|
18.048
|
-160
|
12.473
|
|
40
|
5.838
|
170
|
8.387
|
-40
|
17.368
|
-170
|
12.313
|
|
50
|
6.286
|
180
|
8.460
|
-50
|
16.701
|
-180
|
12.172
|
|
60
|
6.647
|
190
|
8.527
|
-60
|
16.063
|
-190
|
12.045
|
|
70
|
6.943
|
200
|
8.588
|
-70
|
15.472
|
-200
|
11.932
|
|
80
|
7.191
|
210
|
8.645
|
-80
|
14.938
|
-210
|
11.831
|
|
90
|
7.404
|
220
|
8.697
|
-90
|
14.459
|
-220
|
11.739
|
|
100
|
7.586
|
230
|
8.746
|
-100
|
14.045
|
-230
|
11.655
|
|
110
|
7.747
|
240
|
8.791
|
-110
|
13.683
|
-240
|
11.579
|
|
120
|
7.884
|
250
|
8.832
|
-120
|
13.370
|
-250
|
11.510
|
|
130
|
8.009
|
260
|
8.872
|
-130
|
13.097
|
-260
|
11.446
|
Encuentre
el Punto Nulo
Ponga el condensador variable al medio ( 0pF ), mueva lentamente la resistencia
variable hasta obtener el menor ruido en el receptor ( vea el vumetro del
receptor, y ajuste a menor escala ).
Si no encuentra el punto nulo, mueva un poco el condensador variable y ajuste
nuevamente la resistencia variable. Repita esta operación hasta encontrar
el punto nulo, por ultimo usted podrá ver la reactancia y capacitancia
que tiene la antena en esa frecuencia.
Datos
obtenidos del Manual de Radio HandBook en ingles ( edición 1996 )
Cualquier comentario o sugerencia, mandeme un E-Mail,
gracias por visitar nuestras páginas.
Noise Bridge Para HF

MATERIALES
1 C1 8-50 pF recortar la tapa, 5mm
4 C2-C5 .01 uF tapa de disco de cerámica
1 C6 27 pF cáncer. tapa de disco, ONP
1 D-1 diodo Zener 0.5W, 1N5231B
2 Q1, Q2 2N4401 NPN transistor
1 R1 200-ohmios 6mm recortar olla
1 R2 ascendentes 4.7K, 1/4W (ylw-viol.-rojo-oro)
1 R3 22k ", (rojo-rojo-oro-org)
1 R4 1.5K, "(BRN-GRN-rojo-oro)
1 R5 680 ohmios, "(azul-gris-BRN-oro)
1 R6 10K ", (BRN-BLK-org-oro)
1 T1 FT50-43 toroide
1 c / u - - 6-32 de tornillo, tuerca, lockwasher
1 - - cable de sujeción de nylon, 1 / 8 "
1 - - placa de circuito impreso,
1 - - 4 "de largo cable (3-hilos)
1 - - 16 "RG-174 w / conector BNC.
1 - - batería de 9V (SNAP), conector

TOROIDE T1
Viento 4 vueltas de la longitud suministrada de cable de cinta de 3 cables. Cuando completado, esto emparejará el aspecto del bosquejo toroid encima en el derecho. Los colores variarán y son no críticos, pero aseguran que cada vuelta miente(está) el apartamento sobre el corazón. Aparte el trío de cable con un cuchillo agudo (atrás al cuerpo toroid). Longitudes netas de plomo(ventajosas) a 1/2 " (1.5 cm), quite(desnude) los 6 finales de cable. Oriente el toroid de modo que cerillas el contorno rectangular sobre la tarjeta de circuitos impresos impresa. Instale los 6 cables en la correspondencia de por agujeros y luego solde en la placa.
AJUSTE
Conecte una de 100 ohmios 1/4W resistencia en todo el 'desconocido' y conectar los terminales a su receptor con una longitud de coaxial. Aplicación de alimentación de CC (8-15V) para el puente del circuito y el ruido debe escuchar un fuerte ruido apresurarse en el receptor. Ajustar el control de 'R1' mínimo de S-metros y, a continuación, la indicación 'C1'. Una vez que estos son ajustados cuidadosamente, el nivel de ruido en el receptor debe soltar a su ruido interno solo nivel.
El puente es ahora el ruido ajustada por una nula la impedancia presentada por la 100-ohm resistencia y capacitancia extravía está equilibrada por el puente de la "R1" y "C1" ajustes.
Articulo original WQ1RP
Noise Bridge Para HF



TOROIDE
El toroide es del tipo T130-2 ( 28 mm diametro exterior y 18 mm diametro interior.
Primero tome dos hilos de 26 swg el cable esmaltado de cobre y tuérzalos juntos en una tarifa de aproximadamente una torceduras por centímetro, entonces el viento nueve vueltas de este par torcido en el toroid como mostrado, (para el bien de la claridad no he puesto nueve vueltas sobre el diagrama).
Ahora tome un hilo solo del cable y el viento otras nueve vueltas en el tórrido en la dirección y de manera mostrado en el diagrama. Ahora una(conecte) los finales de las vueltas como mostrado, y estar seguro para usar su multimetro para acertar en este bit.
Unir(conectar) el lado A1/B1/C1 del toroid a la tarjeta de circuitos impresos como indicado encima y unir(conectar) el lado A2/B2/C2 al circuito de puente.
Todas las resistencias en el circuito de puente deben ser el carbón y ellos deberían ser unidos(conectados) con el cable más corto, más grueso(espeso) que usted puede manejar. Su caja debe ser metálica, desde luego, y porque yo tenía un sobre el anaquel pude al calzador el mío en 110mm x 60mm x 25mm muere la caja de molde con un SO259 a cada final y el sobre - del interruptor a un final también, ve los cuadros, pero podría ser mejor usar una caja más grande que esto si usted compra el que sobre todo para el proyecto.
Articulo obtenido de m0pmb
Noise Bridge Para HF


Bobinado: 5 vueltas de alambre trifilar. sobre toroide T50-43
Noise
Bridge Para HF
(Pianeta Radio)

El esquema que se muestra hace referencia a la versión simplificada del puente, no pudo verificar el ajuste de la antena y el valor de 50 ohms. A continuación se describen los cambios que pueden hacerse para llevar a cabo medidas más complejas.
Broad-ruido de banda generado por el diodo zener D1 y amplificadas por una etapa de transistor que trae la manga por encima de S9 del S-metro en el receptor. Este ruido es modulada por una señal de audio generada por la integridad 555.
El procesador se compone de L1, L2 y L3, junto al puente de medición de ruido. Una de las ramas del puente se cierra en la carga de la R8 de 50 ohms se conoce, el otro está conectado al valor desconocido de la hormiga de la antena. El receptor funciona como un indicador de RTX cero. El puente está en equilibrio cuando la impedancia de la antena es igual a R8, lo que provoca la cancelación de ruido, visto como una fuerte reducción de la señal medida por el S-metro.
Realización
Nesesitaremos una placa virgen de circuito impreso, su tamaño es de 65 x 60 cm. La realización también es posible usando una tabla matriz, no es crítica y los componentes son pocos.

En la figura anterior es la disposición de los componentes que conforman el proyecto en caso de que decida tomar el camino que se ha preparado.
La línea oscura en R2 es una simple conexión a lograr con pedazo de alambre o con lo que queda de cortar los hilos conductores de los componentes.
El transformador integrado de bobinas L1, L2 y L3 está construido sobre una banda ancha binocular núcleo, también se puede utilizar dos núcleos o Amidon FT 37-43 junto T Amidon toroide 50-6. El uso de hilo de cobre esmaltado de 0,3 mm para la envoltura L1 primaria alrededor de 4-8 bobinas. Para L2 y L3 secundaria el mismo número de bobinas de alambre de la liquidación y el otro lado del núcleo en comparación con L1. Durante la atención de la Asamblea de pago a respetar la polaridad de los bobinados.
Cambios
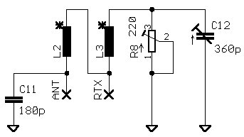
| Versión Completa Sustitución de la resistencia R8 con un potenciómetro de 100 o 220 ohmios, el circuito puede ser utilizado para determinar el valor de la resistencia desconocida de la antena conectada. E 'lo suficiente para equilibrar el puente girando el potenciómetro, el valor que corresponde a lo que se está midiendo. Con la adición de C11 y C12 también es posible medir la parte reactiva de la impedancia de la antena. |
![]() |
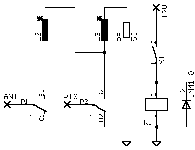
| - Versión de relé La inclusión de un doble intercambio de relevo, controlado desde el interruptor principal S1 interruptor de alimentación del puente de ruido, permite la transmisión a entrar sin tener que desconectar el circuito de la radio. A falta de poder permanece fuera de la retransmisión y los contactos en la posición de Carolina del Norte que permite la conexión normal entre la producción y la antena de radio. De iluminación del puente de ruido del interruptor de relé, conectando la antena de la radio y al puente para permitir la medida. |
![]() |
Usar
Conecte el puente entre la antena y el receptor, encienda el receptor y sintonizar en la frecuencia AM de interés. De iluminación del circuito se siente el ruido se solapan con los de baja frecuencia conocida, el S-metro se coloca a gran escala.
Si utiliza el puente de ruido en el modelo básico con un sintonizador de antena que puede buscar la adaptación propia de 50 ohms. Ajustar el sintonizador de hasta el S-metro no baja de manera abrupta a un valor cercano a cero, lo cual es indicativo del futuro equilibrio del puente, luego pasan a tener un mínimo de transmisión se producen ROS, tal vez con ajustes menores, proporcionar a bajarla. Si el presupuesto no es algo en la conexión de la línea o nell'antenna no funciona correctamente.
El sintonizador debe estar conectado entre el puente de ruido y de la antena. Recuerde que no debe entrar en la radiodifusión con el circuito conectado a la radio o, si utiliza la versión con relé, con conmutación de circuitos.
La versión completa permite que usted mida la impedancia de la antena conectada. En este caso, el puente debe estar conectado directamente a la antena oa través de una línea de un medio de múltiples longitudes de onda (teniendo en cuenta el factor de velocidad), de lo contrario se mide la impedancia de la antena a la entrada del puente de haber transformado de una línea sí mismo. Como ya se ha dicho que conseguir el equilibrio cuando R8 y C12 igual al valor de la impedancia a medir. La resistencia desconocida viene dada por el valor asumido por el R8, mientras que la reactancia tiene que hacer algunos cálculos. De hecho, para medir también la reactancia inductiva del condensador C11 se añadió en paralelo a la antena, por lo que si se mide el valor de C12 de 180 pF C11, es la reactancia capacitiva
Cx = C12 - 180pF Cx = C12 - 180pF
con Cx en picoFarad. Mientras que si el C12 es de menos de 180 pF, es la reactancia inductiva y es
Lx = 1 / ( (2*pi*f)^2 * (180 - C12) ) Lx = 1 / ((2 * pi * f) ^ 2 * (180 - C12))
Elenco componenti Elementos
- Versione base - Versión básica
R1 = 1.8 kohm, 1/4 W R1 = 1,8 kOhm, 1 / 4 W
R2 = R3 = 6.8 kohm, 1/4 W R2 = R3 = 6,8 kohm, 1 / 4 W
R4 = 1.2 kohm, 1/4 W R4 = 1,2 kohm, 1 / 4 W
R5 = 680 ohm, 1/4 W R5 = 680 ohm, 1 / 4 W
R6 = 22 kohm, 1/4 W R6 = 22 ohm, 1 / 4 W
R7 = 10 kohm, 1/4 W R7 = 10 ohm, 1 / 4 W
R8 = 50 ohm, 1/4 W (parallelo 100+100 ohm) R8 = 50 ohmios, 1 / 4 W (100 100 ohmios en paralelo)
C1 = C10 = 100 nF C1 = C10 = 100 nF
C2 = C7 = C8 = C9 = 10 nF C2 = C7 = C8 = C9 = 10 nF
C3 = C4 = 47 nF C3 = C4 = 47 nF
C5 = 100 uF C5 = 100 uF
C6 = 10 uF C6 = 10 uF
L1 L2 L3 = vedi testo L1 L2 L3 = ver texto
IC1 = NE555 IC1 = NE555
IC2 = 78L09 IC2 = 78L09
Q1 = Q2 = 2N2222 Q1 = Q2 = 2N2222
D1 = zener 6.8 V, 1/2 W = 6,8 D1 Zener V, 1 / 2 W
- Versione completa - Versión Completa
R8 = 220 ohm, potenziometro R8 = 220 ohmios, potenciómetro
C11 = 180 pF C11 = 180 pF
C12 = 360 pF, variabile C12 = 360 pF, variable
- Versione relé - Versión de relé
D2 = 1N4148 D2 = 1N4148
K1 = relé 12 V, doppio scambio K1 = relé de 12 V, doble cambio
Pagina original: Gianfranco, IZ8EWD - Pianeta Radio
Traduccion: Google