Antenas óptimas de onda corta diseñadas y optimizadas por computadora desarrolladas por radioaficionados para radioaficionados.

La OB16-3 es una antena tribanda de alto rendimiento para las bandas de radioaficionados de 14, 21 y 28 MHz.
Las antenas de onda corta OptiBeam se diseñan y optimizan con el apoyo de técnicas modernas, como la simulación de antenas por ordenador, y se ajustan finalmente mediante extensas pruebas en la práctica.
El núcleo de la antena consiste en una célula conductora de 3 elementos acoplados directamente, donde los conductores están conectados con una línea de fase de tubos cuadrados. Hay un reflector separado para cada una de las tres bandas. Además hay dos directores separados para cada una de las bandas de 20m y 15m y seis directores separados para la banda de 10m.
Gracias a este nuevo concepto de alimentación en combinación con un orden especial de todos los elementos y el uso exclusivo de elementos de tamaño completo, se consigue la más alta eficiencia, un ancho de banda óptimo en lo que respecta a la alta ganancia, un patrón claro y una baja ROE junto con un manejo de potencia ilimitado.
En la siguiente tabla se pueden ver los datos eléctricos y mecánicos esenciales:
|
Bandas |
|
20m / 15m / 10m |
|||||
|
Ganancia dbd * |
|
||||||
|
Ganancia dbi ** |
14,5/ 15,1 / 16,3 |
||||||
|
FIB db |
|
20 / 22 1 25 |
|||||
|
SWR: 14,00 - 14,19 - 14 35 21,00 - 21,25 - 21 45 28,00 - 28,50 - 29 oo |
1,4 - 1 1 1 5 1,4 - 1,0- |
||||||
|
1m edance |
Ohm |
|
50 |
||||
|
Elementos |
16 |
||||||
|
Elementos activos 20/15/10 |
4 / 4 / 8 |
||||||
|
Longitud máxima del elemento m |
|
10,92 |
|||||
|
Boom len th |
m |
|
10,10 |
||||
|
Wei ht k |
|
48 |
|||||
![]()
ganancia media sobre un dipolo en espacio libre ganancia de monobandas para gpmparisqm Yagi de 2 elementos: 4 dbd, Yagi de 3 elementos: 5-6 dbd
![]()
= ganancia media a 20 m de altura
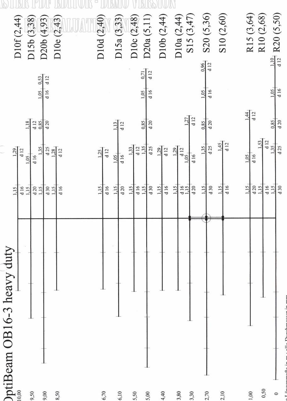
Para el montaje se necesita el diagrama esquemático incluido y la siguiente información:
-> tipo de elemento (R=Reflector, S=Conductor, D=Director) y la posición en el brazo
-> medidas de las secciones del elemento (longitud y diámetro) -> longitudes de las mitades del elemento
-> distancias entre los elementos.
Las longitudes se indican en m (metros) y los diámetros en mm (milímetros).
La antena consta en parte de piezas ya premontadas.
Todas las partes de la antena están marcadas.
Para un montaje más rápido y sencillo se recomienda clasificar las piezas por bandas.
2.2 Montaje de la pluma
La pluma consta de cinco partes, una sección central con un diámetro de 75 mm, dos secciones de conexión de 70 mm de diámetro y dos secciones exteriores con un diámetro de 65 mm.
Las secciones deben colocarse siguiendo las marcas que se encuentran en las transiciones entre las secciones de la pluma. Deben fijarse con dos tornillos y tuercas de seguridad cada uno. En cuanto al anclaje posterior de la pluma, los dos cables de acero deben introducirse simultáneamente con sus bucles metálicos en el tornillo de conexión interior de los segmentos exteriores de la pluma. El cable de acero más corto debe ir hacia la parte trasera y el más largo hacia la parte delantera de la pluma. Todas las marcas que definen las posiciones de los elementos deben estar finalmente en un lado de la pluma.
Para los soportes del elemento a la pluma se utilizan placas de 4 esquinas y el aislamiento de los elementos se realiza mediante 2 (plataforma del conductor = 4, véase más abajo) soportes de tubos de plástico especiales.
Según los diámetros de los elementos hay 4 placas con 30mm (S20/R20/D20a,b), 4 placas con 20mm (Sl 5/R15/DI 5a,b) y 8 placas con 16mm (Sl O/RI OIDI Oa-f) portatubos.
Las plataformas del elemento conductor son un poco más largas. En ellas se encuentran un par de soportes de tubos a la izquierda y a la derecha, además de la mitad inferior de un soporte de tubos en el centro para reforzar el centro del elemento conducido que está dividido con el aislador.
Las secciones centrales de los elementos tienen que ser fijadas exactamente centradas en las placas (orientación = línea negra central en los parásitos / pieza central aislante en los elementos conducidos que finalmente tiene que asentarse centrada en la mitad inferior premontada del soporte de tubos). Para ello hay que colocar las secciones centrales de los elementos en los portatubos (sólo en el caso de los elementos conducidos hay que abrir los portatubos de un lado para este proceso). A continuación, los tornillos de los portatubos deben apretarse firmemente. Los tornillos de las secciones centrales del conductor divididas con los aisladores deben apuntar hacia arriba.
A continuación hay que montar las otras secciones del elemento. Inserte las siguientes secciones en las secciones anteriores con su lado que tiene dos agujeros de perforación de igual tamaño. Los tubos deben ser introducidos hasta que los agujeros de ambas secciones se superpongan perfectamente (en el caso de los tubos exteriores de 12mm de los elementos conducidos se debe elegir el medio de los tres agujeros).
A continuación, los tornillos correspondientes (tubo de 30 mm = tornillo más largo / tubo de 25 mm = segundo tornillo más largo / tubo de 20 mm = tercer tornillo más largo / tubo de 16 mm = tornillo más corto) deben introducirse desde el lado del orificio ampliado del segmento anterior. En el lado opuesto hay que insertar las arandelas y atornillar las tuercas de seguridad y apretarlas firmemente (sujetar las cabezas de los tornillos con el destornillador especial incluido para que no giren, las cabezas de los tornillos se sumergen en el agujero de perforación ampliado, ver página de la imagen). Este método da como resultado una conexión mecánica extremadamente sólida y se evitan totalmente los sonidos de traqueteo dentro de los solapamientos de los segmentos.
Mediante esta forma de ensamblar las secciones de los elementos, las longitudes requeridas de las secciones y las mitades de los elementos se consiguen automáticamente.
Durante el montaje de los elementos, preste atención a que todas las cabezas de los tornillos queden hacia arriba. Tenga en cuenta que los elementos cuelgan por debajo de la pluma. Por lo tanto, las cabezas de los tornillos tienen que estar en el mismo lado de los elementos donde se encuentran las placas.
Los elementos fijados en las placas deben montarse en la parte inferior de la pluma en las posiciones marcadas.
Las placas se fijan a la pluma mediante 2 pernos en U que abrazan la pluma por la parte superior y 4 tuercas de autoaseguramiento (véase la página de la imagen). Al apretar los pernos en U, preste atención a que todos los elementos estén paralelos en el plano vertical y horizontal.
Los elementos motrices (de la parte trasera SIO, S20, S15) no deben apretarse antes de realizar la instalación de la línea de fase (véase la figura 2.5), ya que podrían tener que moverse ligeramente en la pluma.
Las placas de los elementos exteriores terminan justo antes de las puntas de la pluma.
En caso de que la antena no se pueda alcanzar fácilmente durante el montaje o incluso para mayor comodidad en general, recomendamos montar la célula conductora junto con la línea de fase y el conector coaxial por separado y luego montarla debajo del brazo en una sola pieza.
Los elementos conducidos (SIO, S20, S15) están conectados con 2 tubos cuadrados paralelos de 20 mm (=línea de fase).
Los tubos cuadrados tienen que estar en contacto directo con los elementos (poner las arandelas sólo debajo de los tornillos). Primero retire los tornillos y las arandelas de los elementos. A continuación, inserte los tubos cuadrados previamente perforados (mueva los elementos ligeramente si es necesario) mediante los tornillos de los elementos. Asimismo, inserte el conector coaxial en la parte inferior de la línea de fase (=elementos por debajo de la pluma) directamente con los tornillos de S20 (véase la página de la imagen). Asegúrese de que el tornillo de la parte trasera del conector que sujeta la correa está bien apretado.
Finalmente, los tubos cuadrados de la línea de fase tienen que ser apretados muy sólidamente junto con los elementos conducidos (=contacto eléctrico importante) y los elementos conducidos tienen que ser montados debajo de la pluma por medio de las placas de los elementos (véase la figura 2.4).
La placa de la pluma al mástil es una pieza completamente premontada (ver página de imágenes). Debe fijarse entre DIOb y D20a en el punto de gravedad.
La pluma de la antena terminada, montada en el mástil, tiene que estar atada por dos cables de acero inoxidable de 4 mm de diámetro. En un lado se inserta una hebilla giratoria en cada cable de acero y en el otro un lazo metálico para la fijación en la pluma. Las cuerdas de acero deben insertarse con sus bucles metálicos en los tornillos interiores de las secciones exteriores de la pluma de 65 mm al montar la pluma. Hay que tener en cuenta que el cable de acero más corto debe fijarse en la parte trasera y el más largo en la parte delantera de la pluma.
Las dos hebillas de giro, giradas hacia fuera en unos 2/3 de su longitud, ya están conectadas por nosotros a la pieza central de la cercha de la botavara. Fije esta pieza central mediante el correspondiente perno en U al mástil y empújela hasta aproximadamente un metro hasta que las cuerdas de la cercha estén pretensadas y luego fíjela sólidamente.
Por último, los cables de acero deben tensarse mediante las hebillas de giro hasta que la pluma se estabilice en la horizontal sin ninguna comba.
La instalación completa puede verse en las páginas de imágenes.
La alimentación de la antena se realiza con cable coaxial de 50 Ohm.
Para la conexión se requiere un conector PL-259. El conector debe estar sellado contra la entrada de agua.
Cerca del punto de alimentación, el cable debe enrollarse en una bobina de estrangulamiento de 5 a 6 vueltas de unos 20 cm de diámetro. De este modo, la antena se equilibra eléctricamente y se evita la radiación no deseada del propio cable.
En lugar de la bobina de estrangulamiento también se puede utilizar un balun 1:1.
No es necesario un ajuste de la antena si se respetan exactamente las dimensiones indicadas.
Por algunas influencias del entorno directo puede ocurrir que la resonancia de la antena (=punto de mejor ROE) se desplace en una o varias bandas.
Mediante cambios mínimos en las longitudes de los conductores correspondientes (=acortamiento o alargamiento de las secciones exteriores de 12 mm) se puede desplazar la frecuencia de resonancia de la banda correspondiente al punto deseado.
Mediante una ligera disminución de las longitudes de ambas mitades del elemento (meter la sección exterior hasta el último taladro) la frecuencia de resonancia se desplazará hacia arriba, mediante un aumento (sacar la sección final hasta el primer taladro) se desplazará hacia abajo.
Normalmente no es necesario realizar estos ajustes, ya que la antena no es muy sensible a las influencias del entorno y la curva de ROE es plana de todos modos.
Con vientos fuertes, la antena debe colocarse de manera que las puntas de los elementos se muestren directamente hacia el viento, lo que significa que la pluma se sitúa a lo ancho.
De este modo se evita el estrés físico de los elementos de tamaño completo y se aumenta su duración.

![]()

Vista de la cubierta de la cámara en la cámara de los motores /
Ver acoplador de la pluma en Square boom


Boom-Masthalterung für kleinere Boom-Masthaltemng Rir mittlere Modelle /Modelle / montaje de la pluma en el mástil para los más pequeños montaje de la pluma en el mástil para los medianos
modelosTamaño de los modelos
Boom-Masthalterung Rir große Modelle / Boom to mast mounting for big models

Rastatter Straße 37
D-75179 Pforzheim,
Tel.: 1 Fax +49-7231-453153

Mediante el uso de balastos de 50 Ohm 1:1 5 KW (diseño según WXOB) en el punto de salida, la antena se simetriza eléctricamente y se desconecta la luz propia de los balastos.
Instalación
1. En primer lugar, hay que colocar los dos soportes del elemento de conexión, en los que se encuentra la antena y que también mantienen el flujo de aire.
2. El Balun se encuentra en su estructura de flujo dentro de las dos barras de control de fase. Se puede reforzar con sus dos tubos de aluminio y con los anteriores tubos de acero.
3. La conexión de los balones con una pasta de conexión puede facilitar el contacto libre entre el balon y el elemento.
4. La balanza se fija en la parte superior del cableado, sin necesidad de que se haya fijado.
Los detalles están en la foto de arriba.
5. El cable de conexión está en el conector S0239 de la balanza y debe ser protegido contra los daños causados por el agua (por ejemplo, con un cable de acero inoxidable o con silicona).
La antena está equilibrada eléctricamente y la radiación no deseada del propio cable coaxial se evita mediante el uso del balun de 50 Ohm 1:1 5 KW adjunto (diseñado por WXOB) en el punto de alimentación.
Instalación
. Atornille los dos pernos
del elemento conducido en el que se encuentra la fuente y que sostienen las dos
líneas de transmisión de tubo cuadrado.
2. Gracias a su estructura plana, el balun puede montarse fácilmente debajo de los dos tubos de línea de fase cuadrados. Debe conectarse al conductor mediante las dos correas de aluminio y los tornillos del conductor.
3. Es posible que desee poner un poco de pasta antioxidante como No-Alox, o Penetrox en la conexión de los terminales antes de apretar los tornillos.
4. Utilice el plástico incluido para fijar el balun a la línea de transmisión. La instalación completa puede verse en la imagen añadida más arriba.
5. Conecte el puente de la línea de alimentación al conector S0239 del balun y proteja esta conexión del agua.