CIRCUITOS DE MODEMS

HF / VHF para Módem Paquet Usando un AT89s1051
(Traducido por google)

El módem está diseñado para trabajar el paquet en HF y VHF. La base del sistema es una sola AT89s1051 microcomputadora chip. Demodulación de la señal de entrada se realiza mediante programación utilizando el algoritmo de filtrado digital con los elementos de análisis estadístico para mejorar la inmunidad al ruido de la recepción. Construido en comparación chip de precisión permite hacer sin un amplificador operacional externa. Светодиоды V1-V4 -LED es un analizador de espectro simple. Cuando se trabaja en el HF es ajustado con precisión a una estación de trabajo. V5 LED se ilumina cuando la señal recibida no entra en la recepción del canal. Cuando está debidamente configurado, debe brillar con la luz que emiten diodos V2 y V3. Un pequeño nivel de luminiscencia resto de LEDs indican la presencia de ruido en el canal de recepción. Nivel de la señal de control o atenuador de entrada del receptor para lograr el brillo más bajo posible de su brillo. El análisis estadístico permite trabajar con un importante nivel de ruido en la señal útil. Ajuste de la comparación es una resistencia R3 en el modo de recepción de HF (interruptor S1 abierto). En la entrada es una señal sinusoidal. Por el Reglamento de R3 para obtener el ancho de pulso de los pulsos en el pin 3 de procesadores es igual a dos. Reducir gradualmente el nivel de la señal, el procedimiento debe ser repetido para obtener la máxima sensibilidad. Entonces usted puede enviar una señal real para confirmar que la señal demodulada en la clavija 11.
La transmisión de la señal sinusoidal se forma con una simple D / convertidores de resistencias R8 y R11. La peculiaridad de esta solución es crear una señal con ninguna fase de carencia, que afecta favorablemente la calidad de la recepción de la señal de ese tipo. Resistencia R11 establece el nivel de modulación de la estación de radio.
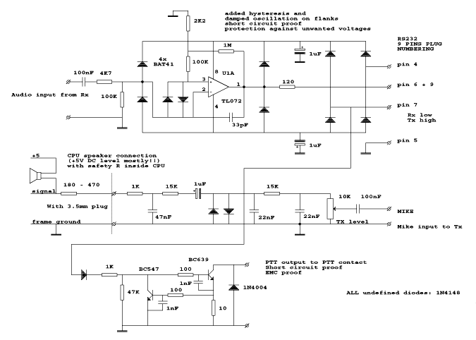
Diodos V6-V9, resistencias R14-R17 montados circuito de confrontación de los niveles de nivel TTL señales del puerto COM. La tabla se enumeran los nombres de las señales del puerto y la numeración de 9 clavijas en su ordenador para trabajar con una determinada herramienta de la hornada baycom.Te permite trabajar tanto en HF y VHF en. Si va a conectar el módem a la interfaz de circuito de control del CNC pueden ser borrados.En este caso, las señales están conectados, respectivamente: la retirada de 8 procesadores a la salida de recepción / envío del CNC, la conclusión 11 a la entrada demodulada datos en el CNC, salida 9 a la salida de datos del TNC. Сигналы SOUND, MIC, PTT Señales sonoras, MIC, PTT conectarse a la estación de radio, respectivamente, en la salida de baja, la entrada de micrófono, y la entrada de control de recepción / transmisión.
Si va a trabajar solamente en las bandas VHF, todos los LEDs se puede excluir, en este caso, se reduce el consumo actual y será de aproximadamente 10 mA.
La frecuencia del cristal de cuarzo puede ser cualquiera en el rango de 9 a los circuitos de frecuencia máxima.Cuando se cambia la frecuencia del resonador, calculado constantes para el filtro digital y el generador de señales DTMF, que se almacenan en un chip.Modem va en un tamaño de 3x5 cm de PCB unilaterales

EA Popov (RW6HRY)
Pagina original RW6HRY

Hamcom Módem Paquet

hamcom

Hamcom Multimodo por TK5EP

Diagrama

Impreso

Componentes

caja

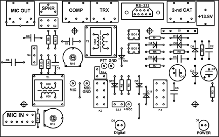
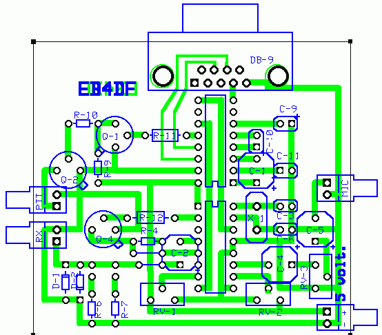
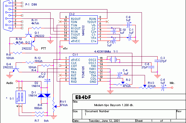
Modem tipo Baycom para Packet radio a 1200 bd

circuito

Placa

Impreso

Ajustes:

Primero adaptar la entrada RX según el nivel de audio y su impedancia. (8oh. / 600oh.). ***Muy importante, si la salida se toma del altavoz, subir el volumen lo mínimo imprescindible para que empiece a recibir***

Ajustar RV-1 / RV-2 para 2,7 voltios en la toma central. (Puede haber ligeras variaciones).

Ajustar RV-3 para producir una desviación de modulación en el equipo de +/- 4 Kilociclos para equipos de ancho de banda de F.I. en RX de 25 Kc. Y a +/-2 Kilociclos para equipos de ancho de banda de F.I.  en RX de 12,5 Kc.

* Si se utiliza con Walkies tipo Yaesu, FT-23 r / FT-470, añadir una resistencia de 2200 ohmios entre la salida del ptt y micro, para conseguir la conmutación de TX.

Interfase Universal SCAT - 03

MODEMS

Como regla general, para las comunicaciones digitales de radio aficionados, el aficionado debe ser utilizado no sólo la tarjeta de sonido del ordenador, sino también de emisión-recepción de conmutación (PTT) en el transceptor. En Además, concurso de muchos registros de permitir la manipulación de armas químicas a través de puertos COM o LPT. Debido al hecho de que, como tal, no es estándar para los diversos programas de las señales de datos se transmiten a través de las diferentes líneas de los puertos. Uso de cada programa, su interfaz es lógico, aunque sólo sea porque aumenta el número de dispositivos en la mesa y exige el libre acceso a terminales de computadora. Y en cuanto al cambio constante del conector de micrófono en el receptor si es necesario después de cuadros SSTV decir algo de voz, y hablar. No es todo el mundo, incluso en el transceptor derechos de propiedad tiene un conector adicional (CAC) para conectar el TNC o el PC. Para evitar esto, y fue diseñado esta interfaz, lo que le permite implementar rápidamente las señales de conmutación y poner en práctica la señal de aislamiento galvánico de circuitos de computadora y el transceptor.

Operadores de radio aficionados han construido muchos dispositivos similares, pero por lo general requieren un mayor desarrollo si se desea usarlos para nuevos programas en los que, por ejemplo, pero no son digitales y CW. Por ejemplo JASTA Mike-switcher o RIG-Blaster trabajo excelente con todos los problemas, pero no permiten la transferencia de armas químicas. Además de estos no hay posibilidad de cambiar las señales de puerto COM.
Interfaz universal SCAT-03 no sólo proporciona parada automática de su micrófono durante una transmisión de imágenes, o cuando otros medios digitales, y el aislamiento galvánico completo de los circuitos de transceptor - un equipo que elimina por completo la posibilidad del fracaso de la tarjeta de sonido del ordenador y el puerto serial de la interferencia con transferencia. Además, es posible cambiar las líneas (RTS / DTR) puerto COM utilizado para la alarma PTT o manipulaciones CW y los canales de la tarjeta de sonido utilizados para la transmisión (a la izquierda / derecha). Cuando se conecta a los altavoces de tu equipo, puedes elegir qué señal se incorporarán a ellos, para enviar o recibir desde el éter. Si no desea utilizar el modo de puerto COM es VOX, que utiliza un integrado o TRX, o externo, integrado en el dispositivo de VOX.

Circuito

Esquema del dispositivo es muy sencillo y no requiere una descripción detallada. Creo que la repetición de esta construcción para llegar incluso a principiantes entusiastas inalámbrica!
Todos los conectores son utilizados en la interfaz utilizada para la soldadura en la placa de circuito impreso. Tenga en cuenta que el conector utilizado para conectar un micrófono, se puede utilizar no sólo las empresas, pero cualquier número adecuado de otros contactos. En adición, los transformadores se puede aplicar en diferentes dimensiones (para este propósito en el tablero de circuito, los agujeros adicionales).

Para la interfaz se puede utilizar cualquier cuerpo de tamaño adecuado, que se coloca y todo el equipo adicional necesario para reunir una estación de radio (por ejemplo, VOX, filtros de paso de banda LF, etc.) Omplekt para completar la documentación se puede encontrar en el archivo de almacenamiento SCAT-03.zip que contiene todos los circuitos.

impreso

Componentes

Vista

01.02.03g. Nikolay Sukhorukov (EU6TV)
Pagina Original EU6TV

Cerrar ventana