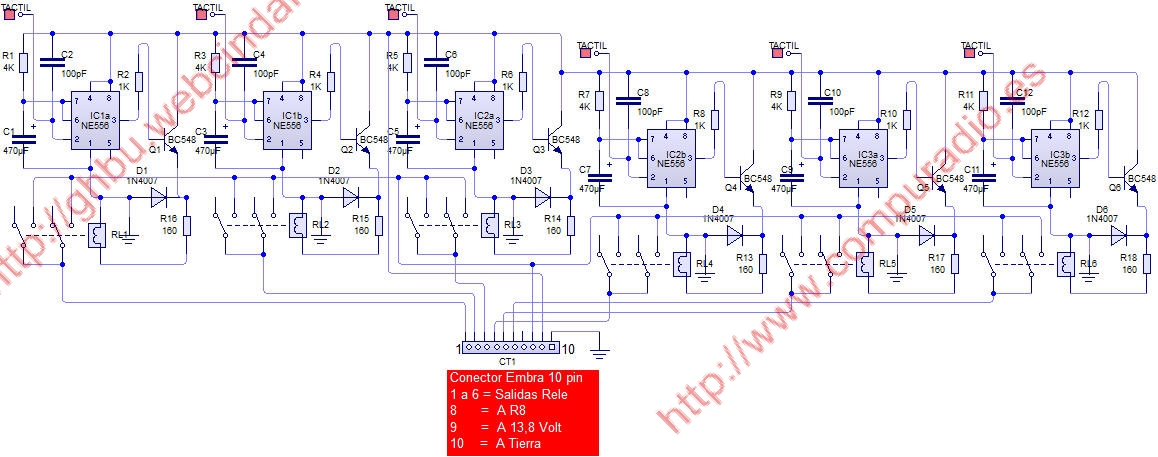
CIRCUITO DE PULSADORES TACTIL

Tactil