Medidor de ROE
(Articulo de electronicafacil)
La línea de medida se realiza con cable RG-213, cortando un trozo de 17 cm. en el que se pelara 1 cm. en cada extremo. En el centro de este cable se pelara la funda 1 cm., cortando la malla por el centro y se separaran las partes, dejando el vivo del cable intacto y aislado, en las dos partes de la malla se conectaran las resistencias 1-2 y 3-4.
| R1 100 Ω | C1 1000 pF | D1 OA91 |
| R2 100 Ω | C2 1000 pF | D2 OA91 |
| R3 100 Ω | C3 100.000 pF palco | D3 OA91 |
| R4 100 Ω | 2 conectores PL ó N | D4 OA91 |
| P1 10 kΩ | conmutador de 2 posiciones 1 circuito | Vúmetro de 1 µV fondo de escala. |
Medidor de ROE Digital
(KD1JV - Traduccion Lec Power Traslator)
BNC conectores son montados a la espalda de la lata, que apoyan la tapa cuando está abierto. El acoplador direccional es hecho usando un corazón BN-43-202 binocular, más bien que dos corazones individuales, que normalmente son hechos. La utilización del corazón binocular causa un perfil inferior y elimina la necesidad de cortar hace encajar el consejo para corazones redondos. W7EL amperios de compensación de diodo son usado para linealizar la salida de los detectores de diodo de puente y causa lecturas mucho más exactas en niveles de poder bajos que sería posible con hacia fuera el amperio de compensación. Un poder micro CMOS el carril al carril op el amperio es usado. Esto permite al amplificador para escaparse la 3 misma célula de botón de V cuales poderes el AVR aloja y dibuja tan poca corriente, no hay ninguna necesidad de quitar el poder de ello cuando la unidad no es es el empleo.
El metro tiene dos poder recorre y calcula SWR. De 5 camino el interruptor "de palanca de mando" es usado controlar el consejo de AVR. El empujar el interruptor "ENCIMA" de conecta la demostración. Empujar el interruptor "EN" pasos por las funciones de metro. Escala de 15 vatios escala (de 00.00 vatios) de 9 vatios (0.000 vatios) y SWR (01.00). Hay un 5 minuto automático cerrado (apaga la demostración y pone el procesador para dormir). El interruptor de control también puede ser empujado "abajo" para poner el metro para dormir.
Exactitud: ¡Solamente porque la demostración tiene 10 y 1 resolución mw, no le significa debería creerlo! Aparecen haber unos que "de un arco" a la curva de respuesta, con las lecturas que son tanto como 200 o 300 mw altas en el mediados de la escala. Creo que esto es causado por leve sobre la compensación por el amperio de compensación de diodo. Aún así, este ún único error de por ciento, tan ningún trato grande. También esté consciente que un metro de este tipo es sólo exacto cuando conducido por una onda de seno verdadera. Una señal deformada o asimétrica no medirá correctamente.
Acabe el error: El convertidor analógico-digital es 10 bit, 1024 convertidor de cuenta. Para medir hasta 15 vatios, tenemos que medir el equivilent de 40 voltios. Por lo tanto, la cuenta analógico-digital es multiplicada por 4 para escalarlo. El sobre todo el factor de escalamiento del acoplador es 40:1, entonces las cosas calculan correctamente. A causa del escalamiento de X4 de la cuenta analógico-digital y la relativamente pequeña resolución de los los analógico-digitales, la demostración no incluirá el dígito solo incerments toda la manera a la escala llena. En algún punto, la demostración comenzará a incluir 2's y luego 3's como los números se hacen más grandes. (o los años 20 y los años 30 si por la 1 escala de mw)
SWR cálculos son bastante exacto, como esto es simplemente la proporción de los voltajes avanzados e inversos. El asunto principal que afectará la exactitud del cálculo SWR es como bien hizo juego los detectores de voltaje avanzados e inversos son emparejados.
El Atmel AVR el consejo de demostración de Mariposa está disponible de la Digi-llave para 19.95 dólares (la parte * ATAVRBFLY). Para usar el consejo de demostración para este proyecto, usted tendrá al nuevo programa ello. Para hacer esto, usted tendrá que abajo cargar el Estudio AVR 4 del sitio web Atmel (http: // www.atmel.com) Esto está un 20 archivo de meg, tan si su sobre el disco encima de, esto tomará una hora buena para abajo cargar. Mientras su en el sitio de Atmel, también consiga la Mega169 hoja de datos y la guía de usuario de Mariposa. La guía de usuario le mostrará como al nuevo programa el consejo de Mariposa. El nuevo programa es una materia simple de alambrar un conector DB-9 sucesivo al consejo de Mariposa y usar el puerto serie de su ordenador personal. El procesador sobre el consejo de demostración tiene " un cargador de bota " el programa que hace este posible.
Software:
Usted también necesitará el software de metro de poder que escribí. Abajo cárguelo aquí: Butterfly.zip
Este archivo de silbido también contiene un programa para usar el consejo de Mariposa como un regulador DDS para el AD9850 DDS el consejo de hija por NJQRP. Un documento de HTML explica este programa.
Calibración:
Idealy, el metro sería calibrado por comparándolo a un metro de vatio que saben ser exactos. La calibración razonablemente buena puede ser achived por aplicando un 2.21 voltaje de corriente continua al lado de puente del diodo de detector (D1 o D2), luego poniendo al oportunista para mostrar 10.00 vatios. (en realidad, usted sólo puede ponerse 10.01 o 9.98). Si este método es usado, estar seguro para desconectar el transformador primero, o esto va a corto hacia fuera el suministro de corriente continua.
El poder inverso no es mostrado, tan calibrar el lado de poder inverso, moverse la entrada de poder avanzada conduce al consejo de Mariposa a la salida de poder inversa. Si su utilización de un metro de vatio para la calibración, invierta cables de transmisor y la antena. Requieren la calibración del detector de poder inverso para conseguir medidas exactas SWR.

Construcción:
Construí el puente y el amperio de compensación de diodo con principalmente SMT partes y grabé al agua fuerte una tarjeta de circuitos impresos. Si usted tiene un programa de disposición pcb y puede hacer su propia pasarela, esto es el mejor modo de ir. Usted podría usar emplomado, por partes de agujero si usted desea y lo construye " el bicho muerto " el estilo. El circuito es bastante simple, esto no tomará demasiado mucho tiempo para hacer esto. En algunos sitios, como el montaje el conduce del transformador balun, usted puede querer cortar "Islas" de la hoja de metal de cobre para hacer conexiones. Prefiero este método sobre la construcción de estilo "de la Manhattan", como nunca puedo conseguir las pequeñas almohadillas para pegar, hola.
Que no podría ser completamente claro del diagrama encima es su fabricación de dos transformadores con un corazón balun. Por lo tanto, hay dos cuerdas secundarias, cada herida por un agujero y alrededor del borde exterior del corazón. Use un bastante pequeño cable entonces la mayor parte de las vueltas se quedan los lados de enfrente del corazón. Esto reducirá al mínimo cualquier acoplo cruzado entre las cuerdas. El primario es un cable simple que pasa por el agujero, un sobre cada lado.
El corazón BN-43-202 podría ser un poco difícil de encontrar. W8DIZ de lleva los corazones BN-43-302 que trabajarán menos mal (' los 302 corazones son un poco más cortos que el ' 202's) Diz es una fuente buena para todas sus necesidades de toriod.
El amperio op usado es un STMICRODEVICES TS942. ¡Esto tiene una corriente muy baja de operaciones de 1.2 uA por amplificador, entonces esto no agotará la batería mucho! Estos están disponibles de Mouser tanto en SMT como en PENDIENTE. Muestran el germanio 1N34A diodos usados sobre el esquemático. Estos pueden ser un poco difíciles de encontrar. La alta velocidad Schottky diodos (no rectificadores) puede ser usada en cambio. Un tipo como la Digi-llave * SD103CDICT haría. Inmejorablemente, usted debería conseguir bastante del uno o el otro diodo para ser capaz de emparejar las gotas avanzadas entre el diodo usado como el detector y esto corresponde el amperio de compensación.
Hay unas modificaciones requeridas al consejo de Mariposa. Muestran estos debajo. La resistencia de fotocélula tiene que ser quitada, con dos pequeñas resistencias. Un tercio necesita a saltado, que es un poco más fácil que el quitar ello y luego jumpering las almohadillas.
El lado expuesto del titular de batería está "caliente", entonces poniendo alguna cinta eléctrica detrás de la tapa de la lata es una idea buena, tan cuando usted monta el consejo, esto no hace corto hacia fuera.

MEDIDOR DE ROE ( Version 2.0 )
(Prof: Bolaños D. Electrónica)
APENDICE:
MEDIDOR DE ROE
Se utiliza como medidor de ondas estacionarias y/o medidor de potencia relativa de salida. Permite lograr el óptimo acople entre el transmisor de RF y la antena, permitiendo un ajuste exacto entre los mismos.
PRINCIPIO DE FUNCIONAMIENTO:
Este medidor de ROE se basa en el empleo de un reflectómetro construido de la forma que se explicara luego, que lee los voltajes directo y reflejado sobre la línea de alimentación de la antena.
Al colocarse en la entrada tensión de RF, una muy pequeña cantidad de esta tensión es captada por las líneas L1 y L2; esta tensión es rectificada por D1 y D2 y filtrada por C1 y C2. La salida de tensión
se aplica al instrumento (a través de P1 y S1), con lo que se mueve la aguja.
La sensibilidad del medidor dependerá de la frecuencia utilizada. En caso de solamente usar el medidor como indicador de potencia relativa de salida, se deberá dejar la llave S1 siempre en posición directa.. Tener en cuenta al medir la ROE, que si ésta es elevada las pérdidas también lo son, y más aún si se utiliza cable coaxil de mala calidad (o una gran longitud de coaxil fino RG58 o RG59 en frecuencias superiores a 14 Mhz) en la alimentación de la antena. Asegurarse que las resistencias R1 y R2 sean de carbón “no bobinadas” y soldar sus terminales tan cortos como sea posible. Este instrumento se puede usar con coaxiles de 50 a 75 ohms sin necesidad de cambiar las resistencias.
NOTAS DE MONTAJE:
Se recomienda colocar el medidor en un gabinete metálico y asegurarse que todas las conexiones que van a masa presenten un buen contacto eléctrico y no solo mecánico.
El instrumento se colocará entre el transmisor y el cable alimentador de antena.
MODO DE EMPLEO:
Aplicarle la excitación proveniente de la salida del transmisor (con la llave S1 en posición directa), el instrumento da una indicación representativa de la magnitud de la señal incidente, mover la llave a la
posición reflejada y la indicación del instrumento da un valor representativo de la señal reflejada. Una antena se encuentra perfectamente ajustada cuando el instrumento (con la llave S1 en posición
directa) llega a un máximo valor y al pasar la llave S1 a la posición reflejada el instrumento marca 0,
aunque este es un caso ideal.
= señal reflejada / señal incidente ![]()
Se considera una antena ajustada hasta un ROE de 1,3 y aceptable hasta un ROE de 1,5 donde es conveniente adaptar la antena.
Al aumentar el ROE baja el rendimiento de la antena.
Ejemplo: (suponiendo que no hay perdidas por otras causas como cables y conectores que generalmente pueden ser mas importantes que las provocadas por la ROE).
ROE |
RENDIMIENTOS DE LA ANTENA |
1:1 |
100% |
1,3:1 |
98,5% |
1,5:1 |
96% |
2:1 |
90% |
3:1 |
75% |
Un ROE alto, aparte de elevar las pérdidas, puede producir la destrucción de el/los transistor/es de la
etapa de potencia de RF del transmisor (esto último se debe a que la ROE provoca cambios en la impedancia que ve el transmisor a su salida). También se puede usar para lograr la máxima potencia
de salida en transmisores, colocando al medidor (con la llave S1 en la posición directa) entre el transmisor y la antena y ajustar los correspondientes controles (bobinas y/o capacitores) o la antena,
para lograr la máxima indicación en el instrumento.
DIAGRAMA EN BLOQUES DEL CONEXIONADO

DISEÑO DEL MEDIDOR
Se llevará a la práctica la siguiente propuesta de medidor.
![]() |
LISTA DE COMPONENTES R1 = R2 = 68 ohms 1 microamperímetro de 50 a 100 µA 1 llave inversora unipolar 2 conectores F Jack para chasis (para 10 cm de cable coaxil 2 fichas bananas para conectar a tester |
Para la guía de ondas, donde viaja la señal, se utilizará el conductor central de un cable coaxil de
75 ohms de 10 cm de largo.
Se cortaran dos cables de 15 cm, como los empleados en el protoboard para unir los componentes, cuidando de no dañar el aislante que los cubre. Se colocaran en paralelo con la guía, diametralmente opuestos y lo mas juntos posible a la misma, se fijará todo el conjunto con cinta aisladora o similar,
para darle rigidez mecánica. Soldar los extremos de la guía a los conectores, montar en la caja donde ya estará colocada la llave inversora, soldar los componentes y los cables que van al microamperimetro, que en nuestro caso será el tester. Conservar en todo momento la simetría y la
prolijidad, ya que de eso dependerá el funcionamiento satisfactorio del medidor.
NOTA: Se debe tener en cuenta que el instrumento construido tiene solo utilidad didáctica pero nos permitirá en buena medida calibrar la antena del proyecto del transmisor, permitiéndonos comprender mas los temas relacionados. En el mercado existen medidores de ROE adecuadamente construidos y calibrados, aunque el principio de funcionamiento es el mismo.

La señal que viaja por la guía de ondas (conductor central) crea un campo magnético en el entorno
de dicho conductor. Luego en los conductores L1 y L2 se induce una tensión que crea una corriente cuyo sentido tratará de oponerse a la causa que le dio origen. Suponiendo que tenemos en la guía de ondas una señal incidente y una reflejada, en cada conductor se induce una corriente proporcional a señal incidente y a la señal reflejada. Mediante los diodos y capacitores logramos separar un valor proporcional de cada una de ellas, entregándonos en el amperímetro una medida cualitativa de sus magnitudes.
NOTA: Recuerde que lo que vemos en el amperímetro es una medida proporcional de la señal incidente y de la señal reflejada. Solo podemos hacer una comparación de esos valores. El instrumento que estamos fabricando no da un una indicación directa de la magnitud ROE.
MEDIDOR DE ROE


Aqui os dejo la escala para regular el instrumento
MEDIDOR DE ROE
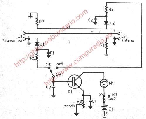
(American Radio Relay League (ARRL))
Para obtener su sensibilidad, este aparato usa un amplificador transistorizado de C.C. Con dicho amplificador se pueden obtener fácilmante ganacias de corriente de hasta 100 veces.
Como funciona
Cuando se conecta el extremo de J1 del medidor de ROE al transmisor, y el extremo J2 a la antena, la corriente de R.F. que fluye por el conductor central L3, induce en L1 una tensión proporcional a la tensión directa sobre la línea o conductor central, y en L2 una tensión proporcional a la tensión inversa sobre la misma. La tensión captada por L1 se rectifica mediante D1, y cuando SW1 esté en la posición DIRECTA, la corriente rectificada es amplificada por Q1 e indicada por el medidor. Cuando SW1 está en la posición POTENCIA REFLEJADA, la tensión captada por L2 es rectificada por D2 y amplificada a su vez por Q1.
La lectura del medidor da una idea cualitativa de la potencia de R.F., para una determinada posición del control de sensivilidad R3, siempre que permanezca constante la impedancia de carga mientras se efectúa la comparación.
El medidor se puede construir para dos impedancias distintas, se deberá escoger la impedancia que se adapte a sus necesidades, y de acuerdo a ella utilizar los valores dados para esta impedancia en R1 y R2
Como se arma
Este medidor se construye en una caja metálica (preferible aluminio) de 6x6x12,5 cm.
La secciòn de línea de transmisión consta de un conductor interno (L3) y un pedacito de lámina de cobre calibre Nº 27 de 6x11 cm, que se doble con la forma de la fig. 1, que formará el conductor externo.

Hay que fabricar dos aisladores soportes (fig 2), de fibra o acrílico que servirá para sostener a L1, L2 y L3 guardando la distancia correcta.
En los extremos de la pieza de cobre debemos pegar los soportes con una resina epoxica fuerte(con las perforaciones hechas de antemano con las medidas de la fig 2).
Cuando los aisladores estén bien pegados, procederemos a pegar los alambres de captación L1 y L2 y el conductor central L3, dejando que sobresalgan de los aisladores unos 3 mm en cada lado para soldar las resistencias, diodos y conectores coaxiales.
Las tierras de J1 y J2 deben estar bien conectadas a la lámina de cobre, así como también la del amplificador de CC.
La pieza de cobre debe de estar conectada a la caja metálica en que se arma el medidor.
En el panel frontal se montan M1, SW1 y R3. Preferiblemente M1 puede ser del tipo miniatura.
J1 y J2 se debe colocr tan cerca de la parte posterior de la caja como sea posible.
En los extremos sobresalientes de 3 mm de L1 y L2 soldamos las resistencias R1 y R2 y los diodos D1 y D2 lo mas cerca posible al aislador, luego con conexiones cortas soldamos a los diodos R4 y R5 y los condensadores C1 y C2. Del otro extremo de R4 y R5 podemos sacar dos alambres que van a Sw1.
Cómo se prueba
Se conecta la salida del transmisor a J1 usando cable coaxial de 50 o 75 ohmios (segun el caso). En J2 conectamos una antena fantasma (resistencia de 50 o 75 ohmios).
Con SW1 en posición DIRECTA se enciende el transmisor y con R3 calibramos M1 a plena escala, se pasa SW1 a REFLEJADA. La lectura debe ser cero (0).
Después de esta prueba, desconectamos la antena fantasma y conectamos la antena. Repetimos la operación con la antena conectada, con SW1 en DIRECTA calibramos con R3 la desviación de M1 a plena escala, luego con SW1 en REFLEJADA volvemos a transmitir y la lectura de la escala será la potencia reflejada o cantidad de estacionarias que hay en la antena.
Estas medidas son cualitativas, pero si se desea mayor presición puede calibrárselo con la ayuda de resistencias o cargas fantasmas. Ejemplo: con una resistencia de 200 ohmios se tendrá una ROE de 4 (200/50), con una resistencia de 100 ohmios una ROE de 2 (100/2), etc.
Materiales requeridos:
| D1, D2 | Diodos de Germanio 1N34 |
| J1,J2 | Conectores coaxiales |
| L1,L2 | Alambres de cobre estañado Nº 4 de 11,5 cm. |
| M1 | Miliamperímetro de 0-1 mA. |
| R1, R2 | 150 ohmios, 1/2 w. para impedancias de 50 ohmios 100 ohmios, 1/2 w. para impedancias de 75 ohmios. |
| R3 | Potenciómetro miniatura de 10.000 ohmios |
| R4, R5 | 18.000 ohmios, 1/2 w. |
| Q1 | Transistor PNP de uso general |
| B1 | Pila de 1,5 voltios |
| L3 | Tubo de cobre de 1/4" de diámetro, 11,5 cm. |
| C1, C2, C3, C4 | Condensadores de disco de .001 mf |
MEDIDOR DE ROE CON CIRCUITO IMPRESO
(LU6AXI - CX3ABB)

MEDIDOR DE ROE OPTICO
(José María CX3VB )
Muchas veces hemos querido matar el ocio construyendo alguna herramienta útil para nuestra
estación de radio, y nos encontramos con que hay algunos materiales, que no son tan fáciles
de conseguir, hace muchos años, era muy común ver microamperímetros que se usaban como
vúmetros en equipos de audio…. Ya hoy el método de lectura ha cambiado mucho y si justo en
ese día que nos vamos a sacar las telarañas no encontramos el material que buscamos, he
aquí una solución práctica y muy económica por cierto.
Se trata de un práctico, pequeño y muy útil medidor de ondas estacionarias (R.O.E) que utiliza
como indicadores de REFLEJADA y DIRECTA, 2 diodos luminosos de alto brillo LED’s.

El ajuste del medidor, es muy simple, basta con conectar una carga fantasma a la salida del
medidor, pulsar momentáneamente el PTT en modo AM, ó en CW (con baja PWR) y ajustar en
nuestro medidor, el trimmer de 20 pF hasta que el LED verde encienda (Hasta la mitad de su
máximo brillo, más o menos)….VOILÁ … está listo y funcionando!
Luego, al conectar la antena en la salida del medidor, si enciende el LED rojo, claro está que
hay estacionaria alta en la salida del TX, por lo que será necesario el uso de un sintonizador de
antena (En un próximo proyecto, con gusto les haré llegar un circuito de sintonizador de
antena).
Este medidor es solamente para HF de 1.8 a 30 Mhz… es probable que funcione sin problemas
en 6 Mts… no lo he probado.
Para los que tengan ganas de trabajar un poquito más y tener una lectura más precisa de la
R.O.E y una visión más analógica del ajuste, pueden construir el circuito que está más abajo,…
es muy sencillo y no hay materiales críticos, si lo construyen, solo deben eliminar el LED rojo
del circuito de arriba y agregar éste, dónde está el punto rojo

Les deseo suerte y que no pasen demasiado trabajo.
73´s de José María CX3VB
MEDIDOR DE ROE QRP (5 A 10 w)
OSHWLAB (Pagina Original)

El proyecto se basa en el esquema publicado en el número de mayo de 2012 de la revista RADIO.
El medidor no requiere alimentación externa.
Le permite evaluar la ROE de la antena con una potencia de transmisión de 5-10 vatios.

PULSE EN LA IMAGEN PARA AMPLIAR

VATIMETRO HEATK
(Pulse Aqui para abrir la pagina)
MEDIDOR DE PICO PARA VATÍMETROS RF CONVENCIONALES
Por: Ramón Carrasco Caríssimo EA-1-KO
La mayoría de los medidores de potencia y ROE para Radioaficionado de gama media que existen en el mercado, disponen de un conmutador para seleccionar el rango de potencia y otro conmutador para poder realizar la lectura en modo AVG o en modo PEP.
El modo AVG nos muestra la potencia media de salida, con respecto a la potencia eficaz disponible; para cierto tipo de emisiones, como es en CW , indicará la potencia media que el emisor está dando en ese momento. Pero cuando se transmiten señales complejas, como puede ser una modulación de audio producida por la voz humana en un emisor de banda lateral única, el valor de la potencia emitida corresponderá al valor de pico ( valor eficaz x raíz cuadrada de 2 ).
Los instrumentos de medida, entre otros motivos por razones de inercia mecánica, no pueden mostrar esos valores, y se debe de recurrir a algún sistema que retarde la caída del instrumento de medida que generalmente es un galvanómetro, para que se pueda llegar a medir el pico de potencia o tensión.
Se suele recurrir a la adición de un condensador electrolítico de gran capacidad en la salida del voltaje AVG captado en los watímetros, pero la verdad es que la medida resultante está bastante alejada del valor real. La única manera de obtener una medida fiable del valor de pico de una señal, es emplear un circuito específico que sea capaz de detectarlo y almacenarlo por tiempo suficiente para que pueda ser representado en un instrumento medidor.
Presento un sencillo montaje con un circuito integrado que contiene 4 amplificadores operacionales de baja potencia, de los que emplearemos únicamente 2 , para poder lograr los objetivos deseados y obtener una medida de pico correcta. Este detector de pico usa elementos comunes de bajo coste y fácil adquisición, y no presenta ningún problema de montaje o disposición. Se puede alimentar con una pila de 9 voltios, o con el mismo voltaje de la fuente de alimentación que suministra tensión al transceptor. Si se alimenta con una pila, deberá de proveerse un interruptor que corte la alimentación al dispositivo, para evitar el desgaste inútil de la misma. En los watímetros de varias escalas de potencia, harían falta conmutadores adicionales para completar todos los rangos de medida.

Para evitar complicaciones, propongo modificar el rango de potencia que utilicemos habitualmente, es decir si nuestro watímetro tiene escalas de 20 – 200 - y 2000 watios por ejemplo, y nuestro transceptor proporciona 100 watios, creo que lo oportuno será incluir la medida de PEP en la escala de 200 watios, porque si nuestro equipo en CW da 100 watios, en SSB deberá de alcanzar los 140 watios PEP.
Por el contrario si nuestro amplificador de HF proporciona 600 watios en CW, deberemos de modificar la escala de 2000 watios, pues la medida alcanzará los 850 watios, y así sucesivamente.
La única modificación a efectuar en el watímetro es localizar la conexión que va desde el captador de señal, a la entrada de la escala de potencia deseada, e insertar en ella el amplificador.
Posteriormente con el amplificador alimentado , y en modo CW ajustar el valor de la resistencia de 10 Kohmios indicada como “ ajuste medida ”, para que marque en la escala los watios que marcase antes de la modificación nuestro medidor.
La resistencia marcada como “ ajuste retardo ” estará a medio recorrido aproximadamente; esta resistencia ajusta el retardo de la aguja en retornar a la posición cero inicial.
A continuación se hablará por el micrófono, y la aguja alcanzará rápidamente el valor de pico, que será cercano a los watios de potencia media multiplicados por 1,41 manteniéndose en ese valor mientras estemos hablando.
La aguja deberá empezar a descender después de haber transcurrido unos tres segundos desde que haya cesado la modulación ; el tiempo de descenso de la aguja se ajusta con la resistencia de “ajuste de retardo” .
MONTAJE DE LOS COMPONENTES
Se puede confeccionar en una plaquita de circuito impreso, un trocito de plástico , o utilizar placa Veroboard que tiene una serie de agujeros y círculos de cobre, para poder colocar el circuito integrado, e ir soldando los componentes entre sí aprovechando los terminales de cada resistencia y condensador a modo de pistas.
Todas las resistencias son de ¼ de watio y 5% de tolerancia; el condensador de 1 microfaradio será de tipo tantalio para 35 voltios; el condensador de 1000 uF será de al menos 25 voltios debiendo prestar atención a la polaridad de ambos.
Los condensadores de desacoplo de 10 Kpf son de poliéster o cerámicos corrientes.
Las resistencias ajustables son de tipo lineal Phier , Centralab o similares; la de 4M7 puede ser sustituida por una resistencia de 3M9 fija.
No hay ningún componente crítico.
CONCLUSIONES:
Este montaje sirve para cualquier tipo de watímetro medidor de ROE de los que hay disponibles en el mercado, que no incorporen medidor real de pico.
Es apto para medidores de agujas cruzadas tipo Daiwa, Diamond, etc y también para los conservadores Bird modelo 43, siendo la única forma de conocer realmente cual es la potencia o el rendimiento de nuestros transceptores o amplificadores.
Espero que os resulte de utilidad este artículo.
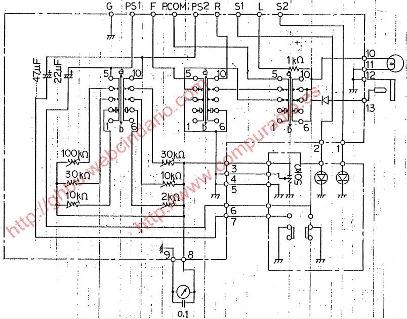
MEDIDOR DE ROE Y POTENCIA DIAMOND SW-600

Circuito Original
BRINDAR ESTA PARTE
MEDIDOR DE ROE Y POTENCIA DIGITAL
( KD1JV )

Requiere un software, PULSE AQUI para descargarlo
Por mas datos, PULSE AQUI tiene toda la informacion de este circuito traducida al español.