CIRCUITO 1 ( FRCuba )
Conozca este curioso dispositivo que rempláza la toma de tierra normal que es necesaria para el correcto funcionamiento de su transceptor, y lo útil que para las personas que transmiten en edificios de departamentos, elimina las interferencias a los servicios de tv,radio brocasting, teléfono, etc. y ofrece una alternativa a los que no pueden dar una correcta toma a tierra al equipo, de fácil construcción con materiales muy económicos y fáciles de encontrar, en los persas o con el colega CE3OXT Adolfo Núñez B. o con el Sr. Francisco Mella A. el rey de las válvulas electrónicas, del persa del Bio Bio en Santiago Chile.
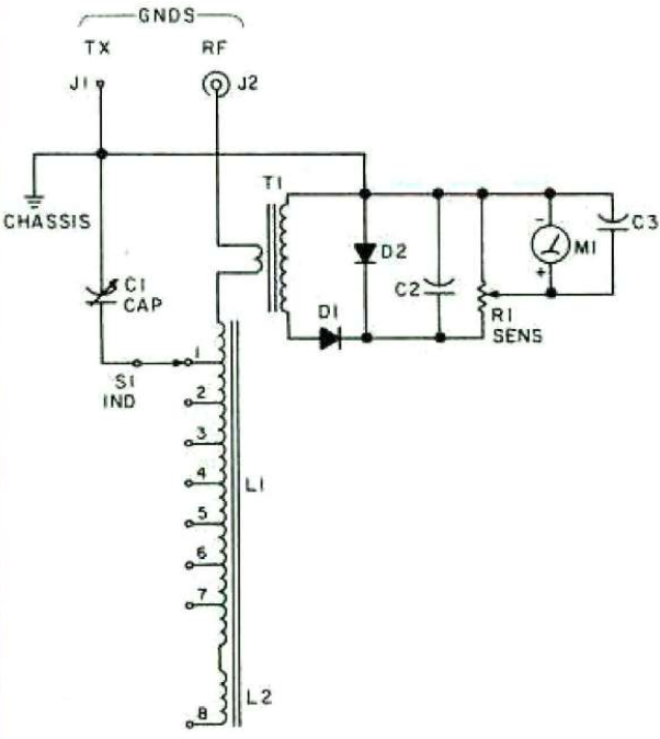
Schematics of the Artificial Ground

L1 primaria = 2 vueltas en Amidon T50-2, puede usar el mismo cable que para L2
L1 secundario= 12 vueltas secundaria, 0,5 mm de alambre
L2 = 12 vueltas, 2 hilos mm, con un diámetro de bobina de 37 mm
Aislados (!) = Condensador variable entre 390 y 500 pF
Instrumento = 50 mA, tambien se puede usar un diodo led en lugar del amperimetro.
Para ver otro tipo de toroides, PULSE AQUI`


En QST marzo 2004 leí un artículo interesante sobre la base y la "Tierra artificial" dispositivo.
Un articulo que encontre en la red, con respecto al MFJ-931, describe como ajustarlo, dicho articulo es valido para este mismo instrumento.
Articulo realizado por EB7BAY:
Estuve aguardando la respuesta de otra persona, confirmando o rebatiendo lo que ya te he dicho. Pasado un tiempo prudencial para ello, vuelvo a la carga.
Así, tal como te comenté en el otro hilo, ya en la primera página, el manual del aparato en cuestión (en el primer recuadro) te indica que "Esta unidad no proveeuna tierra de corriente continua. Se necesitará un cable por separado desde el transceptor y hasta una tierra, si es que ya no existe".
El texto llano comienza diciendo: "Gracias por comprar......". "El MFJ-931 crea una tierra artificial con un largo aletorio de cable tirado en el piso". "Esto produce un contrapeso sintonizado" y "También, el MFJ-931 ubicará una tierra de RF alejada del transceptor, directamente conectada a él".
De esta forma, vemos dos efectos que se subsumen en las dos únicas figuras que trae el manual. En la primera, nos muestra que el aparato está conectado a la tierra del sintonizador de antena y se muestra un cable suelto de cualquier largo (sugiere que sea un cuarto de longitud de onda o un poco menos de la frecuencia en que se transmitirá. Recuerda lo que te dije acerca del cable de computación con un cuarto de longitud de onda para cada banda), aislado en su extremo pues allí pudiera haber un alto voltaje. El aparato debe ser ajustado para una máxima lectura de su instrumento (moviendo los comandos) y bajando el control de sensibilidad si fuese necesario por salirse de escala la lectura. Lo que haces aquí es compensar el ajuste del largo del contrapeso.
Luego, al momento de sintonizar una puesta a tierra de RF alejada del transceptor, manifiesta tal como si fuera una verdad revelada a sus oidos por el mismo Dios, que dependiendo del sistema de alimentación de la antena, serán las corrientes de RF que circularán por ese cable. Agrega que una antena de 1/4 de longitud de onda, mostrará en resonancia una máxima corriente de descarga, en tanto que una de 1/2 longitud de onda no la tendrá. Aquí vale lo que siempre se cumple respecto de alimentar una antena a corriente o a voltaje respectivamente (en los máximos o vientres en que estos se manifiestan) y, vulgarmente hablando, es más viejo que orinar contra una pared.
Allí también, debido a la "indetectabilidad" de corriente del MFJ-931 cuando alimentas a tensión, te venden el medidor de intensidad de campo MFJ-812B, que es "la pareja fiel e indispensable para blá, blá, blá, blá". Es decir, que si tienes un problema porque el MFJ-931 no puede hacer tal o cual cosa, los norteamericanos te venden también la solución. Si vieras el circuito del 931, verías que no es más que un capacitos, una inductancia y un instrumento en serie, lo que te permite "ajustar" ficticiamente y "a piaccere" el largo de la puesta a tierra, tal como compensas tu sistema cable/antena con un acoplador (me olvidaba en el elaborado circuito el potenciómetro para ajustar la sensibilidad). El circuito es el que se publicó una vez en la revista Radioafición y Microcomputación bajo el nombre de "Terragator" (revista dicha, edición de mayo/junio de 1997, firmado por el Ingº Clemente Rodriguez F., basado en experiencias de Rich Arland, K7YHA). Si nó consigues la revista, avísame con tiempo para escanear el artículo y enviártelo.
Traducido = Lec Power Translator
Web Original = PA1HR y Radioaficionados.net
CIRCUITO 2
(RADIOAFICIONADOS.COM LINK )
La conexión a tierra de RF ideal es tener el equipo de su estación montado y completamente conectado a tierra en una tina de metal que flota en agua salada. Las estaciones Hani en barcos se acercan a este ideal, pero el resto de nosotros generalmente tenemos que conformarnos con terrenos de RF considerablemente menos eficientes. Los muchos radioaficionados que viven en apartamentos y condominios de gran altura, incluso aquellos con sus estaciones en la planta baja de la casa típica, tienen cables de tierra de estación de muchos pies de largo entre el equipo y la tierra real. Si bien esto proporciona la tierra de CC necesaria para la seguridad, rara vez es una tierra de RF eficiente en todas las bandas en las que normalmente trabaja.
Cualquier longitud de cable o trenza entre el chasis de su transmisor/transceptor y la tierra real presenta una impedancia que eleva el chasis por encima del suelo para RF. Debido a que las conexiones a tierra son parte de su sistema de antena, la impedancia en el cable de tierra reduce la eficiencia de su sistema de antena.

MATERIALES
C1 |
Capacitor variable de 365pF |
C2, C3 |
Capacitor de disco de 0.01 o 0.02 micros |
R1 |
Potenciometro lineal de 10K |
D1,D2 |
Diodos de silicio tipo 1N914, 1N4148m, etc |
M1 |
100 a 200 mili-ampers |
L1 |
36 vueltas alambre nº 22AWG cobre un toroide T68-2, con derivacion en las espiras 4, 8, 12, 16, 20 ,24 y 28 |
L2 |
13 Vueltas alambre nº22 AWG sobre un toroide T68-3 |
T1 |
Toroide T68-2 Primario 1 a 3 vueltas aislar del secundario. Swcundario 36 vueltas nº26 AWG |
S1 |
Llave de 1 polo 8 posiciones |
J1,J2 |
Jack banana, RCA, etc |
DESCRIPCION DEL CIRCUITO
El esquema de tierra de RF artificial se ilustra en la Figura 1. Un circuito en serie, que consta de CK LI y L2, está conectado entre el chasis del transmisor/transceptor y un tramo corto de cable que está abierto en el otro extremo. El chasis, por supuesto, está conectado a su tierra de CC por razones de seguridad. Este circuito en serie es capaz de resonar en todas las bandas entre 40 y 10 metros, proporcionando así una tierra de baja impedancia para RF en el chasis del transceptor. La corriente que fluye en este circuito en serie se muestrea entre C1 y L1 por el primario de T1, y su nivel se controla en el medidor M1. Cuando el circuito en serie está sintonizado en resonancia como lo indica una indicación de medidor de picos, el chasis del transmisor está en el potencial de tierra para RF.
TEORIA DE LA OPERACION
Un circuito en serie que consta de capacidad e inductancia presenta una impedancia muy baja en su frecuencia resonante. Cuando el transmisor está activado (en CW, FM o AM) y el chasis no está en el potencial de tierra de RF, fluirá una corriente en el circuito en serie de C1, L1/L2 según lo determinado por la posición de S1 y C1, y cuando la resonancia a la frecuencia del transmisor, esta corriente será máxima. El interruptor S1 le permite insertar cantidades variables de inductancia en serie con C1, según la frecuencia en uso.
El primario de T1, un transformador elevador, está conectado entre C1 y L1 donde está disponible la corriente más alta. La corriente de RF que fluye en el circuito en serie se puede muestrear, aumentar en el secundario de T1, luego detectarse mediante diodos duplicadores de voltaje D1 y D2, filtrarse por C2 y aplicarse al potenciómetro de sensibilidad, RL El voltaje de CC a través de Rl se dirige al medidor Ml, que se pasa por alto por C3 para eliminar cualquier RF del medidor. M1 mostrará una indicación de pico cuando el circuito en serie esté sintonizado en resonancia a la frecuencia del transmisor.
En este punto, el chasis del transmisor está en potencial de tierra para RF. Para garantizar la mejor conexión a tierra posible, utilice el cable o trenzado más corto posible para conectar J1 al chasis del transmisor.
OPERACION
Conecte la longitud más corta posible de trenza (preferido) o cable de Jl al poste de tierra en el chasis de su transmisor/transceptor. Este chasis, por supuesto, también debe estar conectado a la tierra de CC de su estación. Luego conecte un cable de 10 o 12 pies de largo a J2, dejando el otro extremo abierto. Asegúrese de sujetar con cinta adhesiva el extremo abierto de este cable para que nadie, incluidos los niños o las mascotas, puedan tocar el extremo descubierto mientras su estación está al aire. Habrá un alto voltaje de RF presente en este extremo del cable cuando transmita. Coloque este cable en el piso a lo largo de la pared detrás de su puesto de operación, o debajo de la alfombra si tiene una choza elegante.
Sintonice su equipo en cualquier banda elegida. Luego, con una salida de portadora constante (una salida de 5 a 20 vatios será suficiente), sintonice CI (CAP) y S1 (1ND) para obtener una indicación de pico en el medidor M1. Puede haber más de una posición de SI que funcione. Elija la posición que proporcione la indicación de medidor de pico más alta. Use el potenciómetro de sensibilidad R1 para mantener la aguja en la escala del medidor.
Each amateur radio installation is unique. No two are exactly alike. At my station, position 8 of S1 is used to tune 30 and 40 meters. The higher bands use various taps selected by S1, providing less inductance. If you find that you have a meter indication on 10 meters, but it will not peak at minimum positions of S1 and C1, shorten the wire connected to J2. If the same thing occurs on 40 meters at position 8 and maximum position of C1, lengthen the wire connected to J2. If you wish to operate 80/75 meters, either add a much longer wire to J2, or ignore the problem. This instrument is designed to provide an excellent, low impedance RF ground on those frequency bands where such a ground is most important—40 through 10 meters. Most ham stations operating on 80/75 meters already have a good RF ground because of the long wavelength and the relatively short DC ground lead to earth.
Cuando alcanza una indicación de pico en el medidor, el gabinete de la tierra de RF artificial está en el potencial de tierra para RF. si la longitud de la trenza o el cable entre Jl y el chasis de su transmisor es corta, también se encuentra en el potencial de tierra de RF. Por lo tanto, tendrá una excelente conexión a tierra de RF.
En algunas frecuencias, puede encontrar que puede obtener una indicación muy baja, o nada, en el medidor. Si esto ocurre, ¡felicidades! Ya tiene una excelente base de RF en esa frecuencia.
CIRCUITO 3
( Nova Electronica )

AI entra en la tierra artificial a RF, el circuito que se muestra aquí fue tomado de la revista QST de 1987 de W1FB, es un circuito casi igual a la de algunos productos comerciales. De hecho, es idéntico a MFJ-931, vea su foto.
MFJ-931 es un circuito que debe llenar los huecos de una tierra pobre, funciona hasta 300 vatios y con un rango de frecuencia de 1 a 30 MHz. Este dispositivo de "tierra artificial" puede ser muy útil para esas vidas en un entorno urbano. Con malos puestos de tierra, edificios o baja calidad del suelo, baja conductividad.
Es indispensable para aquellos que usan transceptor con un sintonizador interno o externo y antenas de tipo de cable o antenas simétricas alimentadas por un cable coaxial, elimina los ruidos y mejora la transmisión y la recepción, creando una tierra artificial, que compensará la resistencia del bucle de Tierra reactiva y minimiza el ruido y el tinnitus en su transceptor.
Si lo quiere, aqui les dejo el
Manual de usuario aqui
EL CIRCUITO
Primero, nos fijamos en solo L1 S1 y C1: este es el circuito de acuerdo real que traerá resonancia prácticamente lo que esté conectado al marco TX.
Tenga en cuenta que la entrada (una pieza corta de sección o calcetín grande) coincide con el tubo de alambre del sintonizador.
Los otros componentes se utilizan para tener una indicación del acuerdo alcanzado: los retiros de T1, la molienda D1, M1 indica, R1 sirve para ajustar la sensibilidad de la indicación, los condensadores son para el escape de la RF.

COMPONENTES
C1 |
Capacitor variable de 25 pF, (Espaciando alrededor de 1 milímetro por 500W, decididamente menos si 100W o QRP) |
L1 |
Es una bobina envuelta en una forma autosostenida con núcleo de aire, la forma puede ser un tubo de PVC de 40 mm, longitud = 270 mm - 90 vueltas, con un diámetro de 40 mm = 44,291 uh. Cable de 1mm |
T1 |
Es un transformador, un pequeño toroide, cualquier toroide, lo principal es simplemente los cables de conexión que pasan a través de ella, porque el primario, es el cable que pasa a travez de este y el secundari, veinte giros de cable aislante, cambie si es necesario. |
D1 |
Diodo de germanio, cualquier tipo |
S1 |
Conmutador de 1 polo 5 posiciones. |
